中心議題:
- 分析開關電源電磁干擾的各種產生機理
- 提出開關電源的電磁兼容設計方法
解決方案:
- 在開關控制電源輸入部分加入緩沖電路,消除電力線干擾、電快速瞬變等干擾
- 在開關電源輸入和輸出電路中加裝EMI濾波器,抑制傳導發射
- 屏蔽外殼的引入、引出線處要采取濾波措施
- 增大干擾源與敏感線路的間距,降低干擾水平
開關電源因體積小、功率因數較大等優點,在通信、控制、計算機等領域應用廣泛。但由于會產生電磁干擾,其進一步的應用受到一定程度上的限制。本文將分析開關電源電磁干擾的各種產生機理,并在其基礎之上,提出開關電源的電磁兼容設計方法。
開關電源的電磁干擾分析
開關電源的結構如圖1所示。首先將工頻交流整流為直流,再逆變為高頻,最后再經整流濾波電路輸出,得到穩定的直流電壓。電路設計及布局不合理、機械振動、接地不良等都會形成內部電磁干擾。同時,變壓器的漏感和輸出二極管的反向恢復電流造成的尖峰,也是潛在的強干擾源。

圖1 AC/DC開關電源基本框圖
內部干擾源
開關電路
開關電路主要由開關管和高頻變壓器組成。開關管及其散熱片與外殼和電源內部的引線間存在分布電容,它產生的du/dt具有較大幅度的脈沖,頻帶較寬且諧波豐富。開關管負載為高頻變壓器初級線圈,是感性負載。當原來導通的開關管關斷時,高頻變壓器的漏感產生了反電勢E=-Ldi/dt,其值與集電極的電流變化率成正比,與漏感成正比,迭加在關斷電壓上,形成關斷電壓尖峰,從而形成傳導干擾。
整流電路的整流二極管
輸出整流二極管截止時有一個反向電流,其恢復到零點的時間與結電容等因素有關。它會在變壓器漏感和其他分布參數的影響下產生很大的電流變化di/dt,產生較強的高頻干擾,頻率可達幾十兆赫茲。
雜散參數
由于工作在較高頻率,開關電源中的低頻元器件特性會發生變化,由此產生噪聲。在高頻時,雜散參數對耦合通道的特性影響很大,而分布電容成為電磁干擾的通道。
外部干擾源
外部干擾源可以分為電源干擾和雷電干擾,而電源干擾以“共模”和“差模”方式存在。同時,由于交流電網直接連到整流橋和濾波電路上,在半個周期內,只有輸入電壓的峰值時間才有輸入電流,導致電源的輸入功率因數很低(大約為0.6)。而且,該電流含有大量電流諧波分量,會對電網產生諧波“污染”。
開關電源的EMC設計
產生電磁干擾有3個必要條件:干擾源、傳輸介質、敏感設備,EMC設計的目的就是破壞這3個條件中的一個。針對于此,主要采取的方法有:電路措施、EMI濾波、屏蔽、印制電路板抗干擾設計等。
1 降低開關損耗和開關噪聲的軟開關技術
軟開關是在硬開關基礎上發展起來的一種基于諧振技術或利用控制技術實現的在零電壓/電流狀態下的先進開關技術。
軟開關的實現方法是:在原電路中增加小電感、電容等諧振元件,在開關過程前后引入諧振,消除電壓、電流的重疊。圖2給出了一種使用軟開關技術的基本開關單元。
圖2 降壓斬波器中的基本開關單元
減小干擾源干擾能量的緩沖電路
在開關控制電源的輸入部分加入緩沖電路(見圖3),其由線性阻抗穩定網絡組成,用于消除電力線干擾、電快速瞬變、電涌、電壓高低變化和電力線諧波等潛在的干擾。緩沖電路器件參數為D1為MUR460,R1=500Ω,C=6nF,L=36mH,R=150Ω。

圖3 緩沖電路
切斷干擾噪聲傳播路徑的EMI濾波
在開關電源輸入和輸出電路中加裝EMI濾波器,是抑制傳導發射的一個很有效方法。其參數主要有:放電電阻、插入損耗、Cx電容、Cy電容和電感值。其中,插入損耗是濾波器性能的一個關鍵參數。在考慮機械性能、環境、成本等前提下,應該盡量使插入損耗大一些。用共模、差模干擾的測量結果與標準限值,加上適當的裕量可得到濾波器的插入損耗IL。
ILCM(dB)=Vcm(dB)-Vlimt(dB)-3(dB)+M(dB) (1)
ILDM(dB)=VDM(dB)-Vlimt(dB)-3(dB)+M(dB) (2)
式中,3dB表示在分離共模、差模傳導干擾的測試過程中測試結果比實際值大3dB;M(dB)表示設計裕量,一般取6dB;Vlimit(dB)為相關標準如CISPR,FCC等規定的傳導干擾限值。
圖4是220V/50Hz交流輸入的開關電源交流側EMI濾波器的電路。Cy=3300pF,L1、L2=0.7mH,它們構成共模濾波電路,抑制0.5~30MHz的共模干擾信號。Cx=0.1μF,L3、L4=200~500μH,采用金屬粉壓磁芯,與L1/L2、Cx構成L-N端口間低通濾波器,用于抑制電源線上存在的0.15~ 0.5MHz差模干擾信號。R用于消除可能在濾波器中出現的靜電積累。

圖4 開關電源交流側EMI濾波器電路
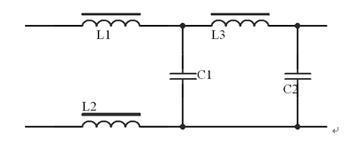
圖5是開關電源的直流輸出側濾波電路,它由共模扼流圈L1、L2,扼流圈L3和電容C1、C2組成。為了防止磁芯在較大的磁場強度下飽和而使扼流圈失去作用,磁芯必須采用高頻特性好且飽和磁場強度大的恒μ磁芯。

圖5 支流側濾波電路
用屏蔽來抑制輻射及感應干擾
開關電源干擾頻譜集中在30MHz以下的頻段,直徑r<λ/2π,主要是近場性質的電磁場,且屬低阻抗場。可用導電良好的材料對電場屏蔽,而用導磁率高的材料對磁場屏蔽。此外,還要對變壓器、電感器、功率器件等采取有效的屏蔽措施。屏蔽外殼上的通風孔最好為圓形,在滿足通風的條件下,孔的數量可以多,每個孔的尺寸要盡可能小。接縫處要焊接,以保證電磁的連續性。屏蔽外殼的引入、引出線處要采取濾波措施。對于電場屏蔽,屏蔽外殼一定要接地。對于磁場屏蔽,屏蔽外殼不需接地。
合理的PCB布局及布線
敏感線路主要是指控制電路和直接與干擾測量設備相連的線路。要降低干擾水平,最簡單的方法就是增大干擾源與敏感線路的間距。但由于受電源尺寸的限制,單純的增大間距并非解決問題的最佳途徑,更為合理的方法是根據干擾電場的分布情況將敏感線路放在干擾較弱的地方。PCB抗干擾布局設計流程如圖6所示。

圖6 PCB抗干擾布局設計流程





