- 測量3-20A范圍內電流的兩種主要方法。
- 霍爾效應原理。
- 霍爾效應開環電流的測量。
- 霍爾效應電流傳感器的抗dv/dt噪聲能力
- HX系列測量DC電流和AC電流使得輸出電壓一直是一次電流的真映像。
- IGBT控制整流期間快速電壓變化導致的高dv/dt噪聲。
- 小型傳感器助于解決可用空間問題。
- HX傳感器中兩個一次線圈消除了對第三個單元的需要從而降低成本。
通常測量3-20A范圍內電流的方法主要有以下兩種:采用電阻分流器的傳統測量方法,和使用電流傳感器。這兩種技術均有局限性:第一種方法缺少流電隔離,第二種方法帶寬有限。此外,這兩種方法都對校準工作有相當高的要求。LEM電流傳感器曾經幫助有效解決了這些問題,但為了全面滿足當前對降低成本和縮小尺寸的需求,現在到了需要對產品進行重新設計的時候了。
2002年,LEM收購了一家位于日本的生產霍爾效應電流傳感器企業——NANA Electronics K.K.公司。新公司更名為NANALEM K.K.,總部位于東京町田。新的研發隊伍融合了兩家公司的專業經驗,已經重新設計了日本最暢銷的產品SY系列,并把它發展成為HX系列。
霍爾效應原理
HX傳感器的核心是一個霍爾效應發生器。1879年,Edward H. Hall發現了霍爾效應,在電流流經一片薄傳導材料(霍爾發生器),并放在正交磁場中時,會發生這種效應。然后電磁洛倫茲力將感應電子,根據極性流到薄片邊緣。
圖1.位于磁性電路間隙中的霍爾發生器把一次電流產生的磁場轉換成成比例的霍爾電壓。
在這兩個邊緣之間產生的霍爾電壓VH與控制電流IC和磁通量B直接成正比(圖1)。霍爾發生器由一片薄傳導材料制成,如鎵砷化物(GaAs),這種材料在使用期間能夠實現可靠穩定的性能。在5 mA的控制電流下,獲得的霍爾電壓約為1.25 mV/mT。
霍爾效應開環電流測量
一次電流產生的磁場會在磁性電路的間隙中生成線性磁通量B,磁通量B會在霍爾發生器中感應成比例的霍爾電壓VH。然后這個電壓被電子電路放大,得到一個與一次電流成比例的輸出模擬信號。HX系列可以測量DC電流和AC電流,以及相控整流器、有源電源轉換器、PWM轉換器和開關式電源中復雜的電流波形。輸出電壓一直是一次電流的真映像。
抗dv/dt噪聲能力
在設計驅動器控制和開關設備時,工程師遇到的其中一個問題是整流期間快速電壓變化導致的高dv/dt噪聲。
電源半導體技術一直在不斷發展。現在,許多半導體產品大樣本中都可以看到整流速度非常高的IGBT。因此,當前通用逆電器一般會以很高的開關頻率工作,通常在20 kHz以上。
在這么高的頻率上工作的好處包括波形更平滑、操作更安全、效率更高。
圖2.由于采用快速開發元件,HX系列幾乎不受高dv/dt影響。
圖3.實際逆電器應用中的HX噪聲電平,其中dv/dt等于4000 V/ms。
開關設備每次開關時產生的高dv/dt值將在主電纜和傳感器的電子電路之間產生電容電流。大多數模擬線性放大器對這種寄生電流很靈敏。因此,dv/dt噪聲將被疊加在輸出信號上。根據變動電壓的幅度和斜坡,初始尖峰和后來的振蕩有時會非常高,以致它們會激活傳感器的電流保護電路,進而使逆電器暫停運轉。LEM的經驗在HX系列設計階段幫助保證了對關鍵噪聲的完美免疫力,而又不會損害帶寬,因此HX的性能要超過其它類似的傳感器(圖2和圖3)。
對階躍電流的超快速響應時間對IGBT短路保護必不可少。HX系列可以以50A/ms以上的速度,準確追蹤電流變化,對階躍電流的響應最快為3ms。
圖4.在并排安裝在三相應用中時,電流傳感器產生的相互干擾非常小。
設計工程師經常面臨的另一個棘手問題是可用空間。小型傳感器有助于解決這個問題,HX傳感器重僅8克,要求的安裝面積只有15 x 19 mm。但眾所周知,當這種傳感器并排放在三相應用中時,各自的一次電流可能會影響其它傳感器的電子器件。在并排安裝在三相應用中時,HX電流傳感器引起的相互干擾非常小(圖4)。
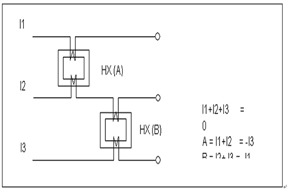
圖5. 帶有一個或兩個一次線圈的HX系列電流傳感器的工作原理。
圖6. 只使用兩個傳感器測量三相電流。

專用版HX傳感器有兩個一次線圈,這兩個線圈既可以串聯,也可以并聯(圖5)。在某些逆電器應用中,可以使用一對這樣的傳感器,測量所有三個相位,每個傳感器兩個相位(圖6)。這消除了對第三個單元的需要,有助于降低成本。AC測試電壓(50 Hz, 1分鐘)是3 kVRMS,間隙/漏電距離超過5.5mm,使這些傳感器特別適合中低功率范圍中的隔離電流測量。





