【導讀】在信號鏈中運用采樣保持放大器(THA),可以從根本上擴展帶寬,使其遠遠超出 ADC 采樣帶寬,滿足苛刻高帶寬的應用的需求。本文將證明,針對 RF 市場開發的最新轉換器前增加一個 THA,便可實現超過 10 GHz 帶寬。ps.本文定義的寬帶是指使用大于數百MHz的信號帶寬,其頻率范圍為 DC 附近至 5 GHz-10 GHz 區域。
打好基礎
對于雷達、儀器儀表和通信應用,高GSPS轉換器應用得非常廣泛,因為它能提供更寬的頻譜以擴展系統頻率范圍。然而,更寬的頻譜對ADC本身的內部采樣保持器提出了更多挑戰,因為它通常未針對超寬帶操作進行優化,而且ADC一般帶寬有限,在這些更高模擬帶寬區域中其高頻線性度/SFDR會下降。
因此,在ADC前面使用單獨的THA來拓展模擬帶寬成為了一個理想的解決方案,如此便可在某一精確時刻對頻率非常高的模擬/RF輸入信號進行采樣。該過程通過一個低抖動采樣器實現信號采樣,并在更寬帶寬范圍內降低了ADC的動態線性度要求,因為采樣率RF模數轉換過程中保持不變。
這種方案帶來的好處顯而易見:模擬輸入帶寬從根本上得以擴展,高頻線性度顯著改善,并且與單獨的RF ADC性能相比,THA-ADC組件的高頻SNR得到改進。
THA 特性及概述
ADI 的 THA 系列產品可以在18 GHz帶寬范圍內提供精密信號采樣,在DC至超過10 GHz的輸入頻率范圍內具有9到10位線性度、1.05 mV噪聲和<70 fs的隨機孔徑抖動性能。該器件可以4 GSPS工作,動態范圍損失極小,具體型號包括HMC661 和 HMC1061。這些跟蹤保持放大器可用于擴展高速模數轉換和信號采集系統的帶寬和/或高頻線性度。
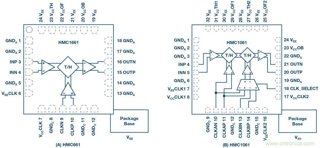
以單級THA HMC661為例,產生的輸出由兩段組成。在輸出波形(正差分時鐘電壓)的采樣模式間隔中,器件成為一個單位增益放大器,在輸入帶寬和輸出放大器帶寬的約束下,它將輸入信號復制到輸出級。在正時鐘到負時鐘躍遷時,器件以非常窄的采樣時間孔徑對輸入信號采樣,并且在負時鐘間隔內,將輸出保持在一個相對恒定的代表采樣時刻信號的值。配合ADC進行前端采樣時,常常優先使用單級器件(ADI 同時法布里了兩級THA 的型號HMC1061),原因是多數高速ADC已經在內部集成一個THA,其帶寬通常要小得多。因此,在ADC之前增加一個THA便構成一個復合雙級組件(或一個三級組件,如果使用的是雙級HMC1061),THA在轉換器前面。采用同等技術和設計時,單級器件的線性度和噪聲性能通常優于雙級器件,原因是單級器件的級數更少。所以,單級器件常常是配合高速ADC進行前端采樣的最佳選擇。

圖1. 采樣保持拓撲結構:(1a) 單列,(1b) 雙列
延遲映射 THA 和 ADC
開發采樣保持器和ADC信號鏈的最困難任務之一,是在THA捕獲采樣事件的時刻與應將其移到ADC上以對該事件重新采樣的時刻之間設置適當的時序延遲。設置兩個高效采樣系統之間的理想時間差的過程被稱為延遲映射。
在電路板上完成該過程可能冗長乏味,因為紙面分析可能不會考慮PCB板上時鐘走線傳播間隔造成的相應延遲,內部器件組延遲,ADC孔徑延遲,以及將時鐘分為兩個不同段所涉及到的相關電路(一條時鐘走線用于THA,另一條時鐘走線用于ADC)。設置THA和ADC之間延遲的一種方法是使用可變延遲線。這些器件可以是有源或無源的,目的是正確對準THA采樣過程的時間并將其交給ADC進行采樣。這保證了ADC對THA輸出波形的穩定保持模式部分進行采樣,從而準確表示輸入信號。
如圖2所示, HMC856 可用來啟動該延遲。它是一款5位QFN封裝,90 ps的固有延遲,步進為3 ps或25ps ,32位的高速延時器。它的缺點是要設定/遍歷每個延遲設置。要使能新的延遲設置,HMC856上的每個位/引腳都需要拉至負電壓。因此,通過焊接下拉電阻在32種組合中找到最佳延遲設置會是一項繁瑣的任務,為了解決這個問題,ADI使用串行控制的SPST開關和板外微處理器來幫助更快完成延遲設置過程。

圖2. 延遲映射電路。
為了獲得最佳延遲設置,將一個信號施加于THA和ADC組合,該信號應在ADC帶寬范圍之外。本例中,我們選擇一個約10 GHz的信號,并施加-6 dBFS的電平(在FFT顯示屏上捕獲)。延遲設置現在以二 進制步進方式掃描,信號的電平和頻率保持恒定。在掃描過程中顯示并捕獲FFT,收集每個延遲設置對應的基波功率和無雜散動態范圍 (SFDR) 數值。
結果如圖3a所示,基波功率、SFDR和SNR將隨所應用的每個設置而變化。如圖所示,當把采樣位置放在更好的地方(THA將樣本送至ADC的過程之中)時,基波功率將處于最高水平,而SFDR應處于最佳性能(即最低)。

圖3a. 每個延遲設置上信號幅度和SFDR性能的映射結果。
圖3b為延遲映射掃描的放大視圖,延遲設定點為671,即延遲應該保持固定于此窗口/位置。請記住,延遲映射程序僅對系統的相關采樣頻率有效,如果設計需要不同的采樣時鐘,則需要重新掃描。本例中,采樣頻率為4 GHz,這是該信號鏈中使用的THA器件的最高采樣頻率。

圖3b. 每個延遲設置上信號幅度和SFDR性能的映射結果(放大)。
針對大量原始模擬帶寬的前端設計
首先,如果應用的關鍵目標是處理10 GHz的帶寬,我們顯然應考慮RF方式。請注意,ADC仍然是電壓型器件,不會考慮功率。這種情況下,"匹配"這個詞應該謹慎使用。我們發現,讓一個轉換器前端在每個頻率都與100 MSPS轉換器匹配幾乎是不可能的;高頻率帶寬的RF ADC不會有太大的不同,但挑戰依舊。術語"匹配"應表示在前端設計中能產生最佳結果的優化。這是一個無所不包的術語,其中,輸入阻抗、交流性能 (SNR/SFDR)、信號驅動強度或輸入驅動、帶寬以及通帶平坦度,這些指標都能產生該特定應用的最佳結果。
最終,這些參數共同定義了系統應用的匹配性能。開始寬帶前端設計時,布局可能是關鍵,同時應當最大限度地減少器件數量,以降低兩個相鄰IC之間的損耗。為了達到最佳性能,這兩方面均非常重要。將模擬輸入網絡連接在一起時務必小心。走線長度以及匹配是最重要的,還應盡量減少過孔數量,如圖4所示。

圖4. THA和ADC布局。
信號通過差分模式連接到THA輸入(我們同時是也提供單端射頻信號輸入的參考設計鏈路),形成單一前端網絡。為了最大限度地減少過孔數量和總長度,我們在這里特別小心,讓過孔不經過這兩條模擬輸入路徑,并且幫助抵消走線連接中的任何線腳。
最終的設計相當簡單,只需要注意幾點,如圖5所示。所使用的0.01 F電容是寬帶類型,有助于在較寬頻率范圍內保持阻抗平坦。典型的成品型0.1 F電容無法提供平坦的阻抗響應,通常會在通帶平坦度響應中引起較多紋波。THA輸出端和ADC輸入端的5和10串聯電阻,有助于減少THA輸出的峰化,并最大限度地降低ADC自身內部采樣電容網絡的殘余電荷注入造成的失真。然而,這些值需要謹慎地選擇,否則會增加信號衰減并迫使THA提高驅動強度,或者設計可能無法利用ADC的全部量程。

圖5. THA和ADC前端網絡及信號鏈。
最后討論差分分流端接。當將兩個或更多轉換器連接在一起時,這點至關重要。通常,輕型負載(例如輸入端有1 k負載)有助于保持線性并牽制混響頻率。分流器的120 分流負載也有此作用,但會產生更多實際負載,本例中為50 ,這正是THA希望看到并進行優化的負載。
現在看結果!檢查圖6中的信噪比或SNR,可以看出在15 GHz范圍上可以實現8位的ENOB(有效位數)。這是相當不錯的,想想對于相同性能的13 GHz示波器,您可能支付了12萬美元。當頻率向L、S、C和X波段移動時,集成帶寬(即噪聲)和抖動限制開始變得顯著,因此我們看到性能出現滾降。

圖6. –6 dBFS時的SNRFS/SFDR性能結果。
還應注意,為了保持THA和ADC之間的電平恒定,ADC的滿量程輸入通過SPI寄存器內部更改為1.0 V p-p。這有助于將THA保持在線性區域內,因為其最大輸出為1.0 V p-p差分。
同時顯示了線性度結果或SFRD。這里,到8 GHz為止的線性度超過50 dBc,到10 GHz為止的線性度超過40 dBc。為在如此寬的頻率范圍上達到最佳線性度,此處的設計利用 AD9689模擬輸入緩沖電流設置特性進行了優化(通過SPI控制寄存器)。
圖7顯示了通帶平坦度,證明在RF ADC之前增加一個THA可以實現 10 GHz的帶寬,從而充分擴展AD9689的模擬帶寬。

圖7. THA和ADC網絡及信號鏈—帶寬結果。
結語
對于那些需要在多GHz模擬帶寬上實現最佳性能的應用,THA幾乎是必不可少的,至少目前是如此!RF ADC正在迅速趕上。很容易明白,在對較寬帶寬進行采樣以覆蓋多個目標頻帶時,GSPS轉換器在理論上具有易用性優勢,可以消除前端RF帶上的一個或多個向下混頻級。但是,實現更高范圍的帶寬可能會帶來設計挑戰和維護問題。
在系統中使用THA時,應確保采樣點的位置在THA和ADC之間進行了優化。使用本文所述的延遲映射程序將產生總體上最佳的性能結果。了解程序是乏味的,但是非常重要。最后應記住,匹配前端實際上意味在應用的給定一組性能需求下實現最佳性能。在X波段頻率進行采樣時,樂高式方法(簡單地將50 阻抗模塊連接在一起)可能不是最好的方法。
推薦閱讀:




