【導讀】相移全橋(PSFB)轉換器因其能在初級側開關管上實現軟開關(降低開關損耗),成為高功率應用(如服務器電源、工業電源、通信電源)的主流拓撲。然而,傳統的PSFB存在一個顯著痛點:變壓器漏感(Lr)與輸出整流器(特別是同步整流管MOSFET)的寄生電容(Coss)諧振,會導致次級側產生嚴重的電壓振鈴和尖峰。此尖峰電壓理論上可達 2 × VIN × (NS/NP),迫使設計者選用更高耐壓的整流器件,而高耐壓器件通常伴隨更高的導通電阻(RDS(on))和輸出電容(Coss),直接制約了轉換器效率的進一步提升。傳統解決方案是在整流器兩端并聯電阻-電容-二極管(RCD)無源鉗位電路,但這會將諧振能量以熱的形式耗散掉,犧牲了效率。
引言
相移全橋(PSFB)轉換器因其能在初級側開關管上實現軟開關(降低開關損耗),成為高功率應用(如服務器電源、工業電源、通信電源)的主流拓撲。然而,傳統的PSFB存在一個顯著痛點:變壓器漏感(Lr)與輸出整流器(特別是同步整流管MOSFET)的寄生電容(Coss)諧振,會導致次級側產生嚴重的電壓振鈴和尖峰。此尖峰電壓理論上可達 2 × VIN × (NS/NP),迫使設計者選用更高耐壓的整流器件,而高耐壓器件通常伴隨更高的導通電阻(RDS(on))和輸出電容(Coss),直接制約了轉換器效率的進一步提升。傳統解決方案是在整流器兩端并聯電阻-電容-二極管(RCD)無源鉗位電路,但這會將諧振能量以熱的形式耗散掉,犧牲了效率。
圖 1. 具有無源鉗位和主要波形的 PSFB 功率級
有源鉗位:高效率的解決之道
為了克服無源鉗位的效率瓶頸,有源鉗位(Active Clamp)技術被引入PSFB轉換器。其核心思想是將原本耗散在電阻上的能量進行無損循環利用,同時有效抑制整流器電壓應力。
工作原理
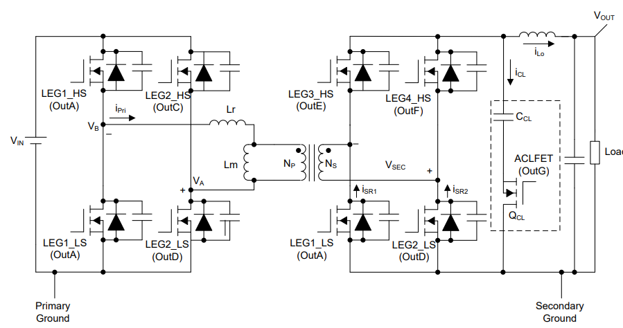
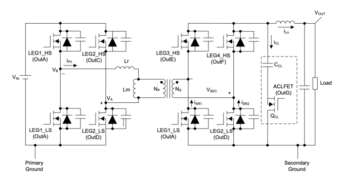
如圖2所示,有源鉗位支路由一個鉗位電容(CCL)和一個鉗位開關管(QCL, 通常為MOSFET)串聯組成,放置在輸出濾波電感(Lo)之前、變壓器次級繞組之后。
1. 鉗位動作: 當次級繞組電壓(VSEC)由于諧振試圖超過目標鉗位電壓(-VCL)時,QCL的體二極管(或在其導通時)會導通,將VSEC和整流器(SR1, SR2)兩端的電壓鉗位在-VCL附近。通過合理設計(CCL足夠大,其電壓紋波小),VCL可穩定在VIN × (NS/NP)左右。這意味著整流器承受的最大電壓應力從2 × VIN × (NS/NP)顯著降低到VIN × (NS/NP),允許選用更低耐壓、更低RDS(on)和更低Coss的MOSFET作為同步整流管(SR),這是提升效率的關鍵一步。
圖 2. 具有有源鉗位和主要波形的 PSFB 功率級
2. 能量循環: 與RCD不同,有源鉗位電路本身不消耗能量。在諧振過程中,能量在漏感Lr、SR的Coss和鉗位電容CCL之間交換。當QCL在其體二極管導通后適時開通(實現QCL的零電壓開關 - ZVS),能量得以在諧振回路中循環,而非被電阻耗散。
3. 工作波形: 在占空比丟失(Dead Time)期間,VSEC=0,SR進行換流。此時,輸出電感電流(iLo)主要通過導通的SR續流。有源鉗位支路電流(iCL)在此階段開始流動并達到峰值(iCL,peak),其值受SR的Coss和漏感Lr影響顯著(公式參考原文公式5-7)。隨后,當初級側能量再次傳輸到次級時,CCL中儲存的部分能量也會參與為輸出電感Lo充電。
設計關鍵考量與挑戰
實現高效可靠的有源鉗位PSFB,需關注以下核心點:
1. CCL容值選擇: 為確保低電壓紋波和有效鉗位,需選擇足夠大的CCL。設計準則通常要求由Lr和CCL構成的LC諧振周期遠大于開關周期(TS),即滿足 2π√(Lr × CCL) >> TS (參考原文公式1)。這保證了在開關周期內,VCL基本保持恒定。該周期遠長于由方程式 1 表示的開關周期 (TS):
方程式1
2. QCL驅動時序:
● 開通時機: 必須在占空比丟失階段結束 之后 開通QCL,以防止CCL能量倒灌回初級側。同時,為了最大化利用體二極管導通實現ZVS,應在體二極管導通期間(或剛導通后)開通QCL。
● 導通時間: 較長的QCL導通時間能更好地維持VCL穩定,進一步降低SR應力,但會增加QCL的導通損耗(RMS電流增大)。需要在電壓應力和效率之間做優化折衷。
圖 3. 有源鉗位電流傳導周期的主要波形
3. SR MOSFET選擇: 低Coss的SR MOSFET至關重要! 較低的Coss不僅直接降低了整流器本身的開關損耗和電壓應力尖峰(在無鉗位或鉗位未完全生效的瞬間),更重要的是它能顯著減小有源鉗位支路的峰值電流(iCL,peak)和有效值(RMS)電流(參考原文公式5-7),從而降低QCL的導通損耗和CCL的損耗,整體提升效率。選用低RDS(on)的器件則進一步降低導通損耗。
假設 VCL 為常量且 Lm= ∞,則方程式 2 將占空比損耗周期(VSEC=0 且 iSR1 和 iSR2 正在換流的周期)期間的整流器電流變化率表示為:
方程式 2
其中 VLr 是 Lr 兩端的電壓。
方程式 3 計算輸出電感器電流的變化率:
方程式 3
利用方程式 2 和方程式 3 以及基爾霍夫電流定律,方程式 4 計算有源鉗位電流的變化率:
方程式 4
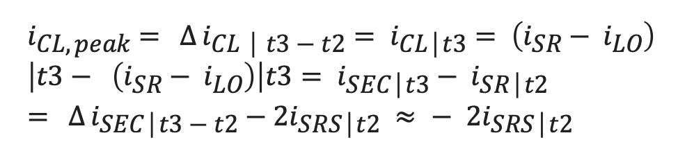
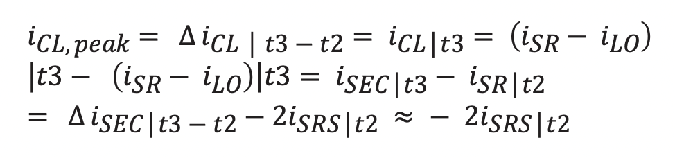
由于 VCL≈VIN×NS/NP,因此您只需將總有源鉗位支路傳導時間作為方程式 4 中的 Δt,即可求解 ΔiCL。但是, 您仍需要知道 iCL 的峰值,才能計算 iCL 均方根 (RMS) 值。如圖 3 所示,如果在時間 t2 時 iSEC = iLo (在將 Coss 充電至 VCL 后),而在時間 t3 時 iSEC = iSR (開始對 CCL 充電),則方程式 5 可推導出 iCL,peak 值為:
方程式 4
由于 VCL≈VIN×NS/NP,因此您只需將總有源鉗位支路傳導時間作為方程式 4 中的 Δt,即可求解 ΔiCL。但是, 您仍需要知道 iCL 的峰值,才能計算 iCL 均方根 (RMS) 值。如圖 3 所示,如果在時間 t2 時 iSEC = iLo (在將 Coss 充電至 VCL 后),而在時間 t3 時 iSEC = iSR (開始對 CCL 充電),則方程式 5 可推導出 iCL,peak 值為:
方程式 5
通過方程式 6 將 t2處的 iSR2 值推導為:
方程式 6
假設 iSR2 電流從 t0 到 t2 的遞減速率相同,則方程式 7 推導出 t2-t1 的持續時間為:
方程式 7
4. 控制策略的挑戰(峰值電流模式): 引入有源鉗位后,變壓器次級電流(iSEC)在有效占空比(Deff)期間不再是單調上升的(因為CCL也參與供能)。這使得傳統的、依賴初級或變壓器繞組(初級側)峰值電流檢測的峰值電流模式控制變得復雜,因為檢測到的電流峰值不能直接、線性地反映實際傳輸的能量或所需的占空比。
● 解決方案: 為了維持可控性,需確保在整個工作范圍內(特別是輕載時),有效占空比時間(Deff * TS)大于完成電流-秒平衡(Current-Second Balance)所需的時間(DCSB * TS)。一種有效的實踐是采用基于負載電流的降頻(Frequency Foldback)控制。在輕載或空載時降低開關頻率,使得即使在較小的Deff下,也能滿足 Deff * TS > DCSB * TS 的條件,保證峰值電流檢測的有效性和系統的穩定性。同時,固定或優化控制QCL的開通時間。
應用實例與性能驗證
有源鉗位技術具有拓撲普適性,不僅適用于全橋整流,同樣適用于中心抽頭(Center-Tapped)或倍流(Current Doubler)整流結構。
● 案例: 在德州儀器(TI)發布的3kW相移全橋參考設計(功率密度 > 270W/in3)中,成功應用了中心抽頭整流器搭配雙有源鉗位支路(結構參考原文圖4)。
● 實測結果(參考原文圖5): 在輸入電壓400V,輸出12V/250A(即3kW)的滿載條件下:
● 同步整流管(SR)上的電壓應力被有效鉗制在40V以下(遠低于理論最大值)。
● 有源鉗位電路本身引入的額外損耗極低(可忽略不計),主要損耗來自QCL和SR的導通損耗。
● 該設計實現了極高的轉換效率,充分體現了有源鉗位在降低應力、減少損耗方面的巨大優勢。
圖 4. 中心抽頭整流器上帶有有源緩沖器的 PSFB 轉換器
圖 5. 具有中心抽頭整流器和有源緩沖器的PSFB 轉換器在12V/3kW 輸出下的穩態波形
總結
在PSFB轉換器中采用有源鉗位技術是提升效率和功率密度的有效途徑。它通過無損能量循環,將輸出整流器的電壓應力有效鉗位至約VIN × (NS/NP),使得采用低耐壓、低損耗的同步整流MOSFET成為可能,顯著降低了導通損耗和潛在的開關損耗。雖然其對次級電流波形的影響給峰值電流模式控制帶來挑戰,但通過合理選擇器件(重點:低Coss的SR FET)、精心設計鉗位電容(CCL)、優化鉗位開關(QCL)驅動時序(確保ZVS并避免能量倒灌)以及實施降頻控制策略,這些挑戰可以被成功克服。實驗結果證明,有源鉗位PSFB能在高功率(如3kW)、高電流(如250A)輸出下,實現優異的電壓應力抑制和極高的整體轉換效率,為下一代高效高密度電源設計提供了強有力的技術支撐。
推薦閱讀:
DigiKey B站頻道火出圈:粉絲破10萬大關,好禮送不停
IOTE 2025深圳物聯網展:七大科技領域融合,重塑AIoT產業生態
9.9元搶500元超值觀展禮包!深圳智能工業展早鳥福利限時開搶




