【導讀】鉛酸電池一直以來是戶外移動中大功率音響的主要供電方式。鉛酸電池電壓高,輸出電流大,直供音頻功放可輸出2×20W功率。但鉛酸電池供電也有其弊端:體積大、不環保、循環充電次數不高。
鉛酸電池一直以來是戶外移動中大功率音響的主要供電方式。鉛酸電池電壓高,輸出電流大,直供音頻功放可輸出2×20W功率。但鉛酸電池供電也有其弊端:體積大、不環保、循環充電次數不高。隨著鋰電池的技術進步,重量輕體積小、循環充電次數高、綠色環保等優勢得以廣泛應用。針對戶外藍牙音響便攜移動的特性,基于體積重量、使用壽命、環保等因素考慮,雙節串聯7.4V鋰電池是未來一個時期的戶外藍牙音箱理想供電電源(3節鋰電因為電池之間的差異要考慮平衡、充電成本等限制其應用普及)。但是兩節18650鋰電串聯的電壓是6V-8.4V,在電池直供的情況每個聲道只能提供7W/4歐的功率輸出,音量偏小。
深圳市永阜康科技有限公司總結市場應用痛點,現在大力推廣一顆兩節鋰電池7.4V供電內置升壓雙聲道D類功放IC-CS85711,可以廣泛應用于中高端廣場舞音箱、智能音箱、便攜式藍牙音響等產品領域,同時搭配5V輸入升壓開關型兩級鋰電充電管理芯片CS5090,可以省掉適配器。其高效率、大功率、外圍簡單等特性,加速實現在拉桿音箱等領域鋰電池替換鉛酸電池成為主流供電方式。
CS83711在7.4V鋰電池供電內置升壓到11.05V,能提供2×20W/3歐峰值輸出功率。并且CS83711整體效率高達90%,保證了輸出功率恒定、整機要求的播放時間、以及溫升在正常范圍之內。CS83711另一個亮點是可以支持外接12V電源直供,方便整機預留外置12V電源線夾接口。CS83711還有其他豐富的功能以及性能:兩種防破音可選、擴頻模式、過流保護、短路保護、過熱保護等;簡潔的EQA-28封裝生產也非常方便。
CS83711應用特性
1. CS83711 7.4V供電對比普通音頻功放12V直供輸出功率,實測CS83711功率足2×20W。

2. CS83711整機效率測試,實測90%以上。

3. CS83711腳位圖

4. CS83711管腳說明

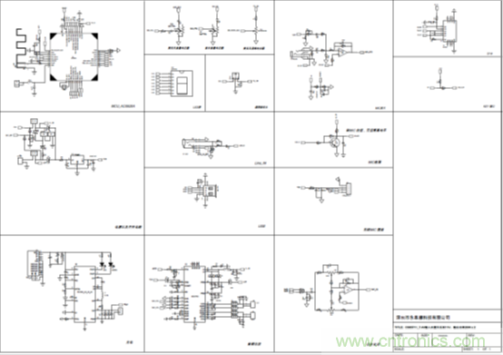
5. 基于CS83711 兩節鋰電內置升壓2×20W藍牙戶外音箱方案原理圖

6. CS83711 功放部分原理圖

7. 基于CS83711 兩節鋰電內置升壓2×20W藍牙戶外音箱方案DEMO PCB頂層設計圖

8. 基于CS83711 兩節鋰電內置升壓2×20W藍牙戶外音箱方案DEMO PCB底層設計圖

9. 基于CS83711 兩節鋰電內置升壓2×20W藍牙戶外音箱方案DEMO貼片圖

10. 基于CS83711 兩節鋰電內置升壓2×20W藍牙戶外音箱方案 DEMO板實物圖

11.整體板DEMO BOM表

免責聲明:本文為轉載文章,轉載此文目的在于傳遞更多信息,版權歸原作者所有。本文所用視頻、圖片、文字如涉及作品版權問題,請聯系小編進行處理。






