【導讀】如何提高隔離式電源的效率?在大多數降壓調節器的典型應用中,使用有源開關而非肖特基二極管是標準做法。這樣能大大提高轉換效率,尤其是產生低輸出電壓時。在需要電流隔離的應用中,也可使用同步整流來提高轉換效率。
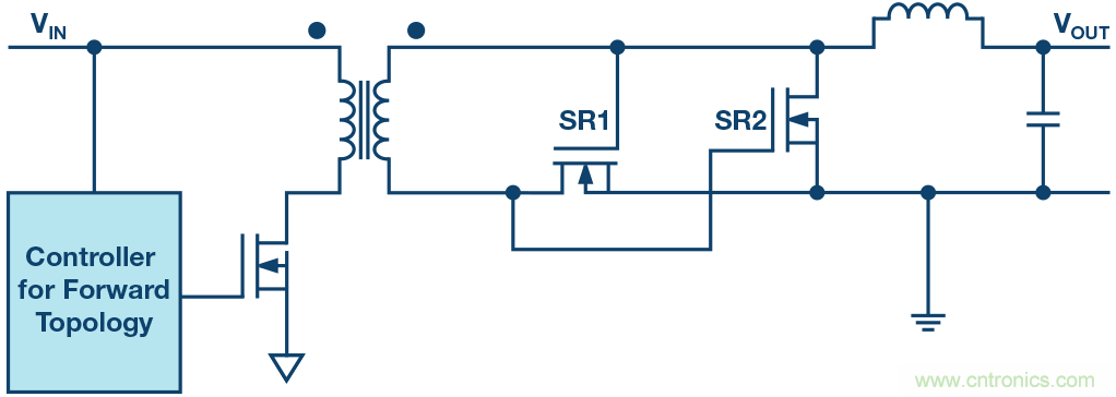
圖1所示為副邊同步整流的正激轉換器。

圖1. 正激轉換器的自驅動同步整流。
驅動開關進行同步整流可以通過不同方式實現。一種簡單方法涉及到跨越變壓器副邊繞組來驅動。如圖1所示。本例中,輸入電壓范圍可能不是非常寬。使用最小輸入電壓時,SR1和SR2的柵極需要有足夠的電壓,以便開關能夠可靠地導通。為確保MOSFET SR1和MOSFET SR2的柵極電壓不超過其最大額定電壓,最大輸入電壓不能過高。
在所有帶同步整流的電源中,電路中可能會產生負電流。例如,若電路輸出端電容在電路通電之前便已預充電,則電流可能會從輸出側流向輸入側。負電流可能會提高MOSFET SR1和MOSFET SR2的電壓,致使其受損。務必小心保護開關,避免受此類事件影響。

圖2. 帶專用驅動器IC的正激轉換器的同步整流。
圖2顯示一種利用LT3900實現同步整流的方法。此控制器驅動正 激拓撲中的同步整流開關SR1和SR2。
這種設想很有效。但是,LTC3900需要防止負電流流過外部開關。首先,器件需要快速檢測負電流;然后,SR1和SR2開關需要迅速斷開。為防止在啟動期間或可能的突發模式中發生電路受損,這樣的做法很有必要。

圖3. 通過與ADP1074完全集成實現正激拓撲的同步整流。
圖3顯示了一種采用新型ADP1074的非常優雅的電路設計。輸出電壓信息通過反饋引腳檢測。為防范某些情況下(例如輸出電壓已預充電時)負電流流過SR1和SR2開關的風險,同步整流未激活。兩個開關的體二極管執行整流。這樣便可防止開關受損。利用ADP1074內置的iCoupler技術,可實現無負電流流動的安全操作。
推薦閱讀:


