【導讀】本文詳細介紹了多個電源模塊的并聯設計。簡要說明了幾種常見的電源模塊并聯應用。小編對比了串聯設計電路,考慮到了模塊電源并聯設計過程中的固定電壓輸出問題、輸出阻抗和負載電流問題,分析了快速設計模塊電源并聯設計的技巧。
在平時的工作應用過程中,工程師需要依據工作要求將多個模塊電源進行兩組或兩組以上并聯,以此來維持較高的輸出功率,確保系統正常運行。然而,與串聯設計相比,多個電源模塊的并聯設計不僅需要考慮到固定電壓輸出問題,還要權衡并聯后輸出阻抗和負載電流問題,因此并聯設計要相對麻煩一些。
下拉電阻并連法(DropResistor)

下拉電阻并聯示意圖
下拉電阻并聯法是一種比較常用的多電源模塊并聯方式。在兩組電源模塊的輸出端,分別串接Drop電阻,再并聯使用,完成后的電路并聯情況如上圖所示。此種方式主要利用輸出電流對R1及R2形成的線性電壓降,使得兩組電源模塊會盡量達到平衡供應負載的目的,避免輸出電壓較高的電源模塊來提供大部份的負載需求。此種并聯方式的成本較低,適合使用在精度要求不高的系統應用中。
解耦二極管并聯法(DecouplingDiode)

解耦二極管并聯示意圖
上圖為使用解耦二極管并聯方法的電路圖。該方法屬于輸出并聯應用方式,其具體的應用方法為在二組電源模塊的輸出端分別串接上二極管,之后再并聯使用。其原理與下拉電阻并聯法相同,都是使用D1與D2取代電阻起到并聯作用。而使用解耦二極管的好處在于,可將二極管用來防止不同電源模塊之輸出電壓逆流到另一個電源模塊,這在某些電源架構上是需要的。
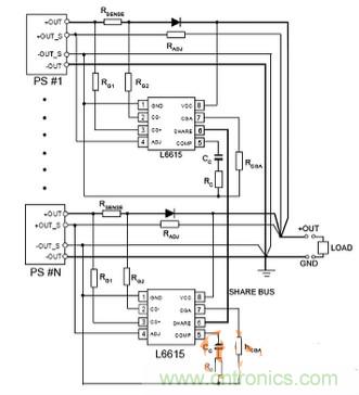
電流均流并聯法(CurrentShare)

電流均流并聯示意圖
上圖為使用電流均流并聯法的電路設計圖。從圖中我們可以看到,在電路中設計有專用IC進行并聯使用。在此種方式中,每一個被并聯進入電路系統的電源模塊本身需具備有遙感或削減的功能才能夠進行均流控制。依據實際使用經驗,在使用這種方法進行均流時,每一個電源模塊都可以均流輸出,對電源模塊的壽命有幫助,但成本相對較高,適合應用于有較高精確度要求的應用場合。
相關閱讀:
專家教你快速設計多模塊電源串聯電路
技術帝解析:大功率模塊電源的散熱問題
新手早知道:模塊電源必有的兩種輸出保護





