【導讀】全球化照明技術和固態照明技術的趨勢愈演愈烈,如今基于LED的固態照明的電抗特性引起的成本增多,使得功率因數產生不利影響,配送電流升高,電網承受的壓力增大。
監管機構一直在與公用事業公司合作制定嚴格的標準來控制固態照明技術對電網的影響。由于基于LED的固態照明可以極大地降低實際的功耗,因此可以顯著減少電網的碳排放量。但是,如果不對功率因數加以管理,電網仍將需要提供比實際負載所需高得多的功率級,從而抵消轉向固態照明所帶來的很大一部分好處。
以前的白熾燈具有近乎完美的功率因數。因此,與傳統的交直流電源相比,固態照明一直堅持高得多的功率因數標準。在大多數情況下,對于75W以下的電源來說,它們不受任何功率因數標準的制約。然而對固態照明而言,從低至5W甚至更低功率開始就需要考慮功率因數限制了。
為了高效地設計基于LED的光源,設計師需要理解功率因素、LED驅動器對功率因數的影響,以及在LED驅動器設計中集成經濟有效的功率因數校正的不同技術。
功率因數
功率因數是指有功功率與視在功率的簡單比值,沒有單位。有功功率是指在負載上使用的功率,測量單位是千瓦(kW)。視在功率是電網提供給系統負載的以伏-安(VA)為單位的測量功率。在一個高電抗系統中,具有角度參數的電流和電壓彼此可以高度不同相。這將導致電網需要在任何給定時間點提供比真正的有功功率大得多的無功功率。

圖1:有功功率(kW)與視在功率(kVA)的功率因數比值。
采用功率因數校正技術的固態照明可以減少從白熾燈變到LED照明的影響,方法是給LED驅動器增加相關的電路,校正電抗性輸入阻抗,從而將功率因數提高到接近于1。
LED驅動器和功率因數校正
LED及其驅動器具有非線性的阻抗,因此固有功率因數非常低。為了解決這個問題,驅動器需要補償功率因數,盡可能將它提高到接近于1。對于工業倉庫或大型商場來說,只是考慮一盞LED燈及其對總功率因數的影響時,效果是很不明顯的,但在一個大型商業場所中所有照明單元的總和將顯著影響總的功率因數,因此需要實現對每個單獨燈盞或驅動這些燈的每個鎮流器進行功率因數校正。
功率因數校正有有源和無源兩種方法。無源功率因數校正解決方案通常由無源輸入濾波器組成,提供一定程度的成本好處,但由于無源功率因數校正只是針對特定的輸入電壓和電流狀態進行優化,當這些條件改變時,功率因數還會下降。在可調光照明設備中,無源功率因數校正是不可接受的,因為在燈盞的整個亮度調節范圍內功率因數變化非常大。這時就需要采用有源功率因數校正,以便在各種負載和線路條件下足以保持高的功率因數。
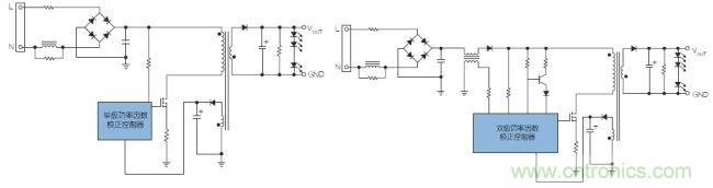
借助有源功率因數校正,有使用主電源轉換電路補償功率因數的方法(單級),以及使用獨立的預調整器提供功率因數校正的方法(兩級)。兩種方法都有各自的好處。最明顯的是,采用單級方法可以實現成本的最小化,因為部分功率因數校正在主電源轉換電路中完成。判斷哪種拓撲最適合最終應用要求更深入地分析每種轉換器。

圖2:單級和雙級功率因數校正架構。
采用單級LED驅動器時,主電源級電路將輸入電壓轉換為可用的直流電壓和電流,再用于驅動LED。由于只有一個電源級,主電源級的驅動需要加以管理以便將功率因數增加到接近1。由于功率因數的測量取決于驅動器輸入端相對主輸入電壓看起來有多線性,調制拓撲決定了轉換器輸入阻抗相對主電源呈現什么樣的阻抗。
[page]
最大化功率因數的最佳方法是使用固定導通時間方法,它能有效地創建電壓控制的電流源,或看起來高度阻性的輸入阻抗。經過變壓器初級的峰值電流直接正比于初級驅動的導通時間,因此這種方法本身就具有接近于1的高功率因數。雖然固定導通時間架構能夠提供高功率因數的好處,但權衡起來考慮經常是不可接受的。正常工作于DCM模式時,峰值電流非常高,有兩個主要結果,即無源器件上有高應力,LED上有大電流紋波。輸入電容上的高應力可能降低這些關鍵元件的壽命,導致燈盞的工作壽命縮短。輸出上過大的電流紋波則會降低輸出光的質量,因為輸出電容上會流過紋波電流,輸出光將增加閃爍噪聲,并降低發光效率,增加自發熱損耗。
使用恒流模式工作代替固定導通時間可以減輕輸出紋波電流,減小電路中無源器件的應力,但由于輸入阻抗固有的電抗特性,功率因數會顯著減小。
尋找結合了高功率因數和低紋波電流同時最大限度地減小對無源外部器件影響的替代方法是找到單級LED驅動器最佳低成本解決方案的關鍵。
iW3626就是單級高功率因數LED驅動器例子,它不僅是高功率因數驅動器,而且能夠最大程度地減小輸出紋波。實現技術位于數字引擎的核心,能夠通過監視功率變壓器的初級監視輸入電壓和電流以及輸出狀態。數字核心允許將驅動信號調制到主要的功率晶體管,本例中是功率雙極面結型晶體管。本例中的專有調制技術允許最終用戶將想要的最小功率因數編程



