本文介紹了具有TRIAC亮度調節功能的7W AC/DC LED照明驅動器的參考設計。該解決方案采用具有一次側恒定功率控制的單級功率因數校正(PFC)反相拓撲。文章為您介紹功率轉換器的完整分析與設計。最后,我們還為您提供了基于7W應用獲得的實驗結果。對該設計進行簡單修改,便可適用于其他應用。
本PMP4304A參考設計是一款使用TI TPS92210 LED照明功率控制器的TRIAC亮度調節單級功率因數校正LED驅動器。本LED應用主要針對PAR燈泡更換,其擁有小體積、低成本、高PF和高TRIAC亮度調節性能。
該解決方案采用帶有一次側恒定功率控制的單級功率因數校正(PFC)反相轉換器。它在沒有光耦合器的情況下,在單級反相拓撲中實現了一次側恒定功率控制。這種驅動器可使用高線壓AC或者低線壓AC工作。輸出可提供350mA的恒定電流,以驅動6支串聯LED。
LED照明驅動器工作原理
功率因數校正單級反相轉換器
這種單級功率因數校正轉換器采用隔離式反相AC/DC拓撲,它把AC輸入線壓整流為輸入正弦電流的DC輸出。單級反相拓撲被廣泛用作隔離式LED解決方案,因為它擁有非常低的BOM成本和高效率。

圖1:單級反相轉換器
傳統的單級反相解決方案均采用轉換模式來按時調節常量,以實現PFC功能。但是,轉換模式的反相拓撲并非為自然PFC,因為占空比和頻率經常變化。因此,PF和THD在這種條件下的準確性并不高。
但是,一次側恒定功率單級反相是一種自然PFC

當Vin的RMS變化時,占空比反向變化。當Vin的RMS受限時,占空比不再變化。因此,當系統穩定時,占空時間和占空度恒定。
與此同時,為了保持恒定功率,系統保持在相同的開關頻率下。
由于Ton、L、f和Vin均為常量,因此輸入電流為方程式2的自然正弦。
另一方面,輸入功率也為方程式3的常量。
總之,我們可以看到,在這種應用中,相比傳統的方案,一次側恒定功率單級方案擁有一定的優勢。首先,一次側恒定功率方案是一種自然的PFC,其PF和THD均優于傳統方案。其次,顧名思義,一次側恒定功率方案僅受一次側控制。因此,可以把光耦合器排除在外,從而達到低成本BOM。
[page]
TPS92210控制器和系統運行
就TPS92210控制器而言,有一個OTM引腳,其可以通過連接它的電阻器來控制Ton時間;詳情如下:

為了實現一次側恒定功率控制,我們使用下列電路,如圖2所示。

圖2:一次側恒定功率控制的前饋電路
假設Vin_rms= x,Ton和Vin_rms之間的關系可計算如下:

該公式可簡寫為方程式7:

為了滿足一次側恒定功率控制的要求( Vrms *Ton= K),選擇B=0。同時,可根據輸入功率選擇A和C。
[page]
7W離線恒定功率LED照明驅動器設計
設計規范

表1:電氣設計規范
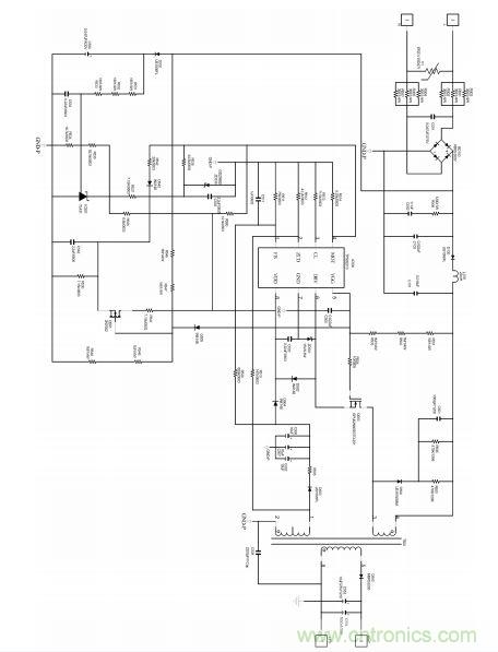
原理圖

圖3:PMP4304A原理圖
[page]
PCB布局

圖4:電路板組裝圖—層1

圖5:電路板組裝圖—層2
[page]
效率

圖6:效率與輸入電壓的關系
線壓調節

圖7:輸出電流與輸入電壓
功率因數

圖8:功率因數與輸入電壓的關系
[page]
TRIAC亮度調節性能

表2:不同亮度調節器導通角的輸出電流

圖9:輸出電流與亮度調節器導通角的關系

[page]

圖11:不同導通角的輸入電流與輸入電壓
結論
本文分析了一次側恒定功率控制單級反相LED驅動器,并介紹了使用基于TPS92210的一次側控制的優勢。同時,我們還實施了一款實際的7W設計。它體現了TPS92210解決方案的諸多好處,如小外形尺寸、低成本、高PF和高TRIAC亮度調節性能。
相關閱讀:
技術剖析:為什么LED驅動器可靠性那么低?
http://m.longhushijia.cn/power-art/80022397
詳解:可實現精確調光的LED驅動器設計
http://m.longhushijia.cn/opto-art/80021799
一款由太陽能供電的節能型LED驅動器電路設計
http://m.longhushijia.cn/opto-art/80021791




