【導讀】TI 推出 TPS40422 雙相單輸出或雙獨立輸出PMBus同步降壓控制器,在雙輸出電壓情況下,采電壓模式控制加上DCR電路電流偵測模式應用沒有電路控制不穩定的情形。
TPS40422 是一款雙相單輸出或雙輸出具有PMBus接口的同步降壓控制器。4.5V~20V輸入操作電壓,200K~1MHz的操作頻率,最低輸出電壓可至600mV。在雙輸出電壓情況下,采電壓模式控制其特色在于較佳的噪聲免疫能力、加上DCR電路電流偵測模式應用沒有電路控制不穩定的情形。在雙相單輸出電壓情況下,內建電流分享回路確保每一通道都能夠均流
產品特色
輸入電壓范圍: 4.5VDC ~ 20VDC
輸出電壓范圍: 0.6V ~ 5.6V
額定輸出電流: Up to 20A@每通道
輸出模式: 180°相移獨立雙出電壓 或 交錯相移單一輸出電壓
額定操作頻率: 可編程200KHz ~ 1MHz
電壓操作模式:參考電壓: 600mV(±0.5%)@0℃ ~ 85℃
支持預偏置輸出電壓 。
PMBus具有:
上下調幅每階2mV 。
輸出電壓/ 輸出電流監控 。
可程序編寫輸出過電壓/ 輸出低電壓/ 輸出過電流/ IC 過溫度保護點 。
可程序柔啟動時間 與 開/關機延遲時間 。
支持100KHz ~ 400KHz 匯流通道需求 。
包裝: QFN-40Pin, 6m * 6m

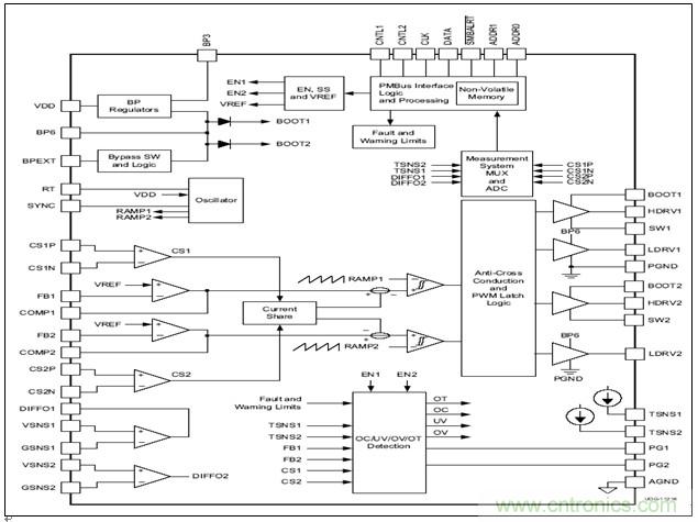
圖1:產品方塊圖

圖2:TPS40422 展示板
電氣規格:
輸入電壓: 8V ~ 14V
輸出電壓信道-1: 1.2V
輸出電流通道-1: 20A
輸出電壓信道-2: 3.3V
輸出電流通道-2: 15A
操作電流: 460KHz
輸出通道-1效率: 90%(typ)@Vin=8V, Io1=10A
輸出通道-2效率: 93%(typ)@Vin=8V, Io1=8.5A

圖3:電氣規格
應用領域: Server System , Industrial Power.




