中心議題:
- 空間脈寬調制原理
- 無速度傳感器控制原理
- 空間脈寬調制技術的無速度傳感器控制系統設計
解決方案:
- 無速度傳感器控制系統的硬件設計
- 無速度傳感器控制系統的軟件設計
傳統的異步電動機控制系統中的測量裝置較多采用光電數字脈沖編碼器,而它在使用的過程中易受到干擾,降低了系統的可靠性,且不適用于惡劣的工況環境。針對以上缺點,本文提出了空間脈寬調制技術(SVPWM)的無速度傳感器控制,利用現代的數字信號處理技術,使得復雜的磁鏈和轉速控制得以實現。并基于DSPTMS320F2812實現了異步電機無速度傳感器的矢量控制。
1空間脈寬調制原理
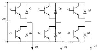
對異步電動機而言,加載到定子上的三相交流電產生旋轉磁場,與轉子的感應磁場交互作用產生扭矩而使轉子旋轉。空間脈寬調制是將定子的三相電流矢量由坐標轉換成兩個等效且正交的分量,其中一相相當于磁場電流,另一相則相當于扭矩電流。空間矢量控制在于控制定子的三相電流的大小、頻率和相位,使其磁場分量維持在最大容許值,調節扭矩電流分量來控制扭矩的大小。并通過控制逆變器的開關模式,使電機的定子電壓空間矢量沿圓形軌跡運動,從而明顯降低轉矩脈動。常用的三相電壓源逆變主電路結構如圖1所示。

圖1三相電壓源逆變電路結構圖
三相逆變器共有8種開關狀態(上橋臂導通開關狀態為1,下橋臂導通開關狀態為0),

[page]
2無速度傳感器控制原理
無速度傳感器的矢量控制就是通過檢測異步電機的相電流和相電壓,采用一定的觀測技術觀測出異步電機的轉速,作為矢量控制系統中轉速閉環的轉速反饋。如圖3所示。

圖3控制原理系統框圖
2.1轉子磁鏈估計
在轉子磁場定向的矢量控制系統中,轉子磁鏈的準確估計和控制是影響電機控制性能的關鍵因素之一。轉子磁鏈估計有電壓型和電流型兩種。傳統的電壓模型算法簡單,受電機參數變化影響小,但低速時觀測精確度較低而且純積分環節的誤差積累和漂移問題嚴重。傳統的電流模型不涉及純積分項,低速的觀測性能強于電壓模型法,但高速時不如后者,而且受轉子時間常數影響較大。
本文將電壓模型和電流模型結合起來估算轉子磁鏈,對電流模型計算的磁鏈進行PI運算,再用PI運算的結果補償電壓模型的磁鏈,通過調節PI參數的值,使得在高速時電壓模型起主要作用,低速時使電流模型起主要作用,克服了它們的缺點,提高估算的準確性。
轉子磁場定向控制中,在兩相旋轉坐標系和兩相靜止坐標系中的電流模型轉子磁鏈方程分別如式(2),式(3)所示:

[page]
根據電壓模型定子磁鏈可以計算得到電壓模型轉子磁鏈:

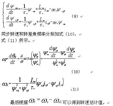
2.2轉速估計原理
無速度傳感器矢量控制系統的轉速根據磁鏈估計模型輸出的轉子磁鏈進行估計得到。磁鏈矢量關系如式(9)所示:

3控制系統設計
基于無速度傳感器矢量控制原理,選用TMS320F2812作為核心控制器設計控制系統的硬件,在CCS2000的編譯平臺上實現了軟件程序編寫。
3.1硬件設計
無速度傳感器矢量控制系統也是由主電路和控制電路組成。系統以IGBT功率器件構成三相逆變電路。由整流電路、濾波電路、驅動保護電路和IGBT共同構成交一直一交電壓型通用變頻器主電路。以TMS320F2812為核心構成控制核心,DSP負責采樣電機三相電流、實現無速度傳感器矢量控制的算法、最后輸出PWM驅動三相逆變橋工作。系統硬件的基本結構如圖4所示。

圖4硬件整體框架
[page]
采用大功率IGBT并聯結構,IR21363S作為PWM驅動芯片,有三個獨立的高壓側和低壓側輸出信號,可以同時輸出六路PWM信號,PWM工作頻率可達500kHZ,具有欠壓和過電流保護功能。采用霍爾和磁環配合檢測異步電機兩相電流,通過電阻分壓方式檢測直流母線電壓,并通過RC濾波電路濾波,提高了AD采樣的準確性和系統工作的可靠性。
3.2軟件設計
系統軟件采用C語言編寫,主要包括主程序、定時器下溢終端子程序,具體程序流程圖如圖5、圖6所示:

4結論
隨著各種控制理論,數字信號處理器(DSP)的發展以及它們在電機控制中的廣泛應用,電機的控制技術的發展進入了全新的階段。通過本文的研究可以看出,以TMS320F2812為核心的無刷直流電機控制系統控制精度高、實時性強、系統的功耗低,并且可以實現的控制功能非常豐富,這些都是傳統的控制系統所無法比擬的,充分體現了DSP控制的優越性。




