中心議題:
- 開光電源的幾種常用軟啟動電路
解決方案:
- 功率熱敏電阻電路
- SCR-R電路既具有斷電檢測的SCR-R電路
- 繼電器K1與電阻R構成的電路
- 采用定時觸發器的繼電器與限流電阻的電路
- 過零觸發的光耦可控硅與雙向可控硅構成的電路
開關電源的輸入電路大都采用整流加電容濾波電路。在輸入電路合閘瞬間,由于電容器上的初始電壓為零會形成很大的瞬時沖擊電流(如圖1所示),特別是大功率開關電源,其輸入采用較大容量的濾波電容器,其沖擊電流可達100A以上。在電源接通瞬間如此大的沖擊電流幅值,往往會導致輸入熔斷器燒斷,有時甚至將合閘開關的觸點燒壞,輕者也會使空氣開關合不上閘,上述原因均會造成開關電源無法正常投入。為此幾乎所有的開關電源在其輸入電路設置防止沖擊電流的軟起動電路,以保證開關電源正常而可靠的運行。本文介紹了幾種常用的軟啟動電路。

圖1 合閘瞬間濾波電容電流波形
(1)采用功率熱敏電阻電路
熱敏電阻防沖擊電流電路如圖2所示。它利用熱敏電阻的Rt的負溫度系數特性,在電源接通瞬間,熱敏電阻的阻值較大,達到限制沖擊電流的作用;當熱敏電阻流過較大電流時,電阻發熱而使其阻值變小,電路處于正常工作狀態。采用熱敏電阻防止沖擊電流一般適用于小功率開關電源,由于熱敏電阻的熱慣性,重新恢復高阻需要時間,故對于電源斷電后又需要很快接通的情況,有時起不到限流作用。

圖2 采用熱敏電阻電路
(2)采用SCR-R電路
該電路如圖3所示。在電源瞬時接通時,輸入電壓經整流橋VD1VD4和限流電阻R對電容器C充電。當電容器C充電到約80%的額定電壓時,逆變器正常工作,經主變壓器輔助繞組產生晶閘管的觸發信號,使晶閘管導通并短路限流電阻R,開關電源處于正常運行狀態。

圖3 采用SCR-R電路
這種限流電路存在如下問題:當電源瞬時斷電后,由于電容器C上的電壓不能突變,其上仍有斷電前的充電電壓,逆變器可能還處于工作狀態,保持晶閘管繼續導通,此時若馬上重新接通輸入電源,會同樣起不到防止沖擊電流的作用。
(3)具有斷電檢測的SCR-R電路
該電路如圖4所示。它是圖3的改進型電路,VD5、VD6、VT1、RB、CB組成瞬時斷電檢測電路,時間常數RBCB的選取應稍大于半個周期,當輸入發生瞬間斷電時,檢測電路得到的檢測信號,關閉逆變器功率開關管VT2的驅動信號,使逆變器停止工作,同時切斷晶閘管SCR的門極觸發信號,確保電源重新接通時防止沖擊電流。

圖4 具有斷電檢測的SCR-R電路
[page]
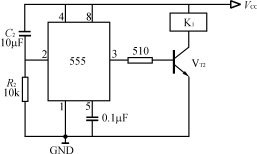
(4)繼電器K1與電阻R構成的電路
該電路原理圖如圖5所示。電源接通時,輸入電壓經限流電阻R1對濾波電容器C1充電,同時輔助電源VCC經電阻R2對并接于繼電器K1線包的電容器C2充電,當C2上的充電電壓達到繼電器的動作電壓時,K1動作,旁路限流電阻R1,達到瞬時防沖擊電流的作用。通常在電源接通之后,繼電器K1動作延時0.3~0.5秒,否則限流電阻R1因通流時間過長會燒壞。

圖5 由繼電器與電阻構成的電路
然而這種簡單的RC延遲電路在考慮到繼電器吸合電壓時還必須顧及流過線包的電流,一般電阻的阻值較小而電容的容量較大,延遲時間很難準確控制,這主要是電容容量的誤差和漏電流造成,需要仔細地挑選和測試。同時繼電器的動作閾值取決于電容器C2上的充電電壓,繼電器的動作電壓會抖動及振蕩,造成工作不可靠。
(5)采用定時觸發器的繼電器與限流電阻的電路
該電路如圖6所示(僅畫出定時電路,主電路同圖5),它是圖5的改進型電路。電源接通時,輸入電壓經整流橋和限流電阻R1對C1充電,同時定時時基電路555的定時電容C2由輔助電源經定時電阻R2開始充電,經0.3秒后,集成電路555的2端電壓低于二分之一電源電壓,其輸出端3輸出高電平,VT2導通,繼電器K1動作,限流電阻R1被旁路,直流供電電壓對C1繼續充電而達到額定值,逆變器處于正常工作狀態。由于該電路在RC延遲定時電路與繼電器之間插入了單穩態觸發器和電流放大器,確保繼電器動作干脆、可靠,有效地起到防止沖擊電流的效果,而不會像圖5電路那樣由于繼電器動作的不可靠性而燒壞限流電阻及繼電器的自身觸點。

圖6 定時電路
(6)過零觸發的光耦可控硅與雙向可控硅構成的電路
該電路如圖7所示。集成穩壓器輸出穩定的5V電壓,為軟起動電路提供電源電壓。晶體管VT1、反相器IC2構成過零觸發電路,IC1555構成單穩態觸發器,R1、C1為定時周期,但因5端至1端接有延遲電路R2、C2,所以555是逐步達到滿周期的。當電網電壓過零時,晶體管VT1截止,反相器IC2輸出低電平,起動定時電路555工作,軟起動延遲時間由時間常數R1C1及R2C2共同決定。

圖7 過零觸發的光耦可控硅與雙向可控硅構成的電路




