- 節能原理
- 技術難點及解決
- 軟硬件的調試
- 采取電流與微電平比較來獲取相位差
- 按有效值的定義進行檢測
- 采用廣泛使用的WDT電路,提高軟件抗干擾能力
節能原理
電機的效率是電機輸出功率與輸入功率的比值的百分數。因此供電機的電能即輸入功率并不僅用來驅動電機即輸出功率,還有一部分將成為電機固有的損耗。電機的主要損耗為銅耗和鐵損,其中銅耗是由于電流流過電機繞組而產生,與電流的平方成正比;鐵損是由于定子和轉子鐵芯中的磁化電流而產生,與供電電壓成正比。其它損耗很小,可忽略。
調壓節電原理是當負荷下降時,可以適當降低電源電壓以減少鐵損,同時電流隨之下降也減少了銅損及無謂的浪費,此時電機的效率將得到改善。電機負荷的檢測通常采用功率因數法進行:電機負荷大,則它的功率因數大;電機負荷小,則它的功率因數小。
技術難點及解決
①功率因數角的檢測。通常情況下電流波形是完整的,通過檢測電壓和電流的過零點獲得的相位差即是功率因數角。但本控制器由于采用了可控硅交流調壓,當導通角較小時,電流波形出現斷續。電流繼續使電流過零檢測失效。為此,我們采取電流與微電平比較來獲取其正半周連續波形的部分,進而取得近似的相位差。
②電壓和電流有效值的檢測。一般按有效值的定義進行檢測的電路需要用到模擬乘法器,因而電路比較復雜,成本也高。由于有效值和絕對平均值之間存在一定的對應關系,并且此處對檢測精度要求不高,故我們先檢測絕對平均值,再轉化為有效值。
③強干擾下的系統加固。本節電器工作在工廠的惡劣環境下,強電磁干擾會嚴重影響微機系統的正常工作,為此我們采取了多種保護措施:將數字電路部分單獨安裝在金屬機殼中,以屏蔽空間電磁干擾;選用優質開關電源和傳感器,以減少從線路串入的干擾;在微機外圍電路中廣泛采用串行接口芯片,以簡化電路板布線;采用廣泛使用的WDT電路,提高軟件抗干擾能力。
④可控硅的移相觸發電路。在三相交流調壓電路中,一個很重要的指標是三相平衡問題。以前的三相交流調壓常采用3個單相移相觸發芯片設計(如TA785),要細心調試才能達到三相平衡。我們采用最新推出的三相移相觸發芯片AT787,簡化了電路設計,使該電路免于繁雜的調試;同時還采用了可控硅的強觸發技術,使其觸發得更準確。
硬件設計
本控制器主要由3部分組成:可控硅及移相觸發電路部分,接收控制板的控制信號,實施交流電壓的調節;信號檢測板部分,接收傳感器的信號并進行處理,得到標準電壓和電流的有效值及功率因數有送控制板;單片機控制板部分,接收信號檢測板的信號,通過控制運算發出控制信號到移相觸發電路,實施最佳功率因數控制,同時控制板還通過鍵盤顯示面板對控制器參數進行修改,并顯示控制器運行狀態。
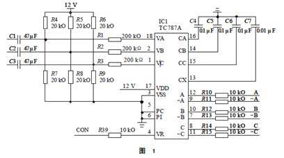
可控硅及移觸發電路部分TC787芯片的基本連接如圖1所示。

從同步變壓器來的三相過零信號經C1、C2、C3電容耦合到6V的直流信號上送入18、2、1腳。TC787對其進行過零檢測,經積分電容C4、C5、C6形成以過零點為起點的三角波,與由VR引入的觸發控制信號比較,再經C7調制成觸發脈沖,由12、9、10、7、8、11腳輸出,由脈沖變壓器驅動可控硅。
[page]
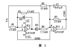
信號檢測板部分標準電壓和電流的有效值轉換電路如圖2所示。

此電路基于基本的絕對值電路,增加了濾波電容C1,將交流信號的絕對值變為平均值;合理設計R5的阻值,將平均值變為有效值。
相位檢測電路如圖3所示。

電壓信號VA和電流信號IA經與微電平信號REF比較,取得電壓和電流信號的正半周;經RC濾波后由信號“或”電路,形成含有功率因數角的信號;由單片機去除其中的電壓半周期,即得功率因數角。

單片機控制板部分基本電路如圖4所示。
TLC0834是4路8位A/D轉換器,采集1路電壓和3路電流信號;TLC5615是10位串行D/A,將控制量變為模擬電壓信號,去控制可控硅交流調壓;X25045是含WDT和EEPROM的多功能電路,負責單片機系統的安全監視和重要參數的保護;SN75176是RS485接口,實現連網監控。
軟件設計
單片機軟件采用C51語言編程,C51與匯編語言相比,有編程效率高、代碼易維護等優點。程序主要由鍵盤與顯示監控部分、串行接口芯片驅動部分和信號采集與實時控制部分組成。
串行接口芯片驅動部分,主要是根據芯片廠商時序圖,以單片機的I/O口模擬串行口,以實現對串行芯片的讀寫操作。本課題由于單片機I/O較多,各個芯片采用單獨的I/O信號。
信號采集與實時控制部分,以實時時鐘為基準,采集電壓電流信號對系統的安全進行監視。采集功率因數信號與最優值比較,以PI控制算法進行運算,適時發出控制指令,對電動機進行調壓,使其運行于高效率狀態。
系統調試
在系統調試過程中,我們發現并處理了如下幾個問題。
①電動機可控硅交流調壓的穩定性問題。由于電動機是大電感性負載,在按外三角接法時最好采用半控形式。其中的數據管發揮了吸收諧波的作用。要使用全控形式,最好采用內三角形式。該接法中各個繞組單獨供電,繞組之間不會產生相互干擾。
②三相調壓移相觸發板的器件選擇問題。3個積分電容的值必須相互一致,誤差在1%以內,調制電容C7的值不能太大,耦合電容C1、C2、C3亦不能太大,不然會使電路不能長期運行,或出現三相的不平衡。
③節電控制器的最佳功率因數設定問題。最佳值一般在0.85附近,風機可以設定在0.9附近,針對不同電機而稍有不同。如果超出了此范圍,則屬不正常現象。因為電動機從理論上有一個在75%~80%負載率附近的最高效率點,若電動機老化而無此特性,則節能不能成立。應用中必須注意此原則。
本電機節能控制器除了具有功率因數控制節能功能外,還實現了軟啟動、斷相保護、過流保護、過熱保護等功能。經用戶測試表明,該電機節能控制器設計合理、運行可靠、節能效果明顯。




