- 零電壓開關全橋轉換器設計
- 變壓器的漏感與外部電感集成在一起
- 啟動兩個與變壓器串聯的開關的同時而變壓器的電壓卻為零
采用高電壓輸入源工作的高頻轉換器采用這種技術可實現大幅的效率提升。
與傳統的全橋轉換器一樣,互為對角的開關一起驅動,對角開關交替地將變壓器原邊置于輸入電壓VIN上一段時間。只有在開關打開時才向輸出部分供電,這與工作在固定頻率上的特定占空比相一致。
兩個互為對角的全橋開關不是同時驅動,而是通過相移的方法在啟動命令之間引入預定義的短期延遲。這種延遲由控制電路的電壓回路進行調節,從而在兩個驅動信號之間產生相移。這種相移技術的特殊之處在于,它可啟動兩個與變壓器串聯的開關,而變壓器的電壓卻為零。
因此,它們不是全橋轉換器的對角開關,而是兩個較高或較低的開關。在這種模式下,變壓器原邊基本處于短路,且固定于相應的輸入軌。由于沒有復位所需的電壓,原邊電流會保持在前一狀態。死區填補了轉換周期內諧振轉換及電源轉換部分之間的空白。開關可被保持在上述狀態中一段時間,與特定開關周期所需的關閉時間相一致。隨后,上述開關中一個適當的開關關斷后,原邊電流會流入開關輸出電容,使開關漏電壓與反向輸入軌產生諧振。這使得特定橋支路的相應開關上的電壓為零,其ZVS打開。

圖1 幾個開關周期時序圖
將ZVS全橋轉換器的相移操作分為五個時序子集,以此來介紹完整的電源轉換周期,如圖1所示。

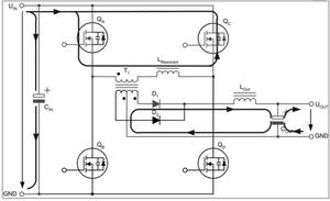
圖2 t0階段初始條件
變壓器T1向負載輸電時,新周期開始,且兩個對角開關打開,如圖2所示。在這種轉換條件下,原邊電流流過這兩個FET。在圖2中,QA與QD代表打開的對角開關。

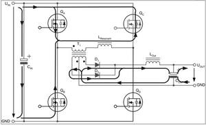
圖3 t1階段右支路諧振轉換間隔
在t0時段結束時,開關QD由UCC2895控制電路關斷,同時開始啟動轉換器右手支路的諧振轉換,如圖3所示。通過變壓器漏感,原邊電流基本保持為常量。在本文中,變壓器的漏感與外部電感集成在一起,在圖3中標為LResonant。如果變壓器的漏感太小,不能提供實現ZVS所必需的轉換時間,那么就需要額外的電感。通過串聯添加外部電感,就能夠調節諧振電感。

圖4 t2階段箝位續流間隔
如圖4所示,當QD關斷時,以QD的漏-源電容作為電流路徑,原邊電流繼續流動,使QD的電容從0V上升至較高的VIN。同時,變壓器電容與QC的漏-源電容放電,源電壓上升。諧振轉換使晶體管的漏-源電容兩端電位在啟動之前相等。右支路轉換完成后,原邊電流會通過QA及QC的體二極管續流。如果組件處于理想狀態,那么電流在下一次轉換發生之前將保持為常量。這時可啟動QC,使QC內部的體二極管短路,從而降低傳導損耗并實現ZVS。

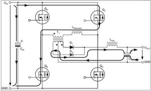
圖5 t3階段左支路轉換
在t2階段結束時,剩余電流在變壓器原邊中流動。由于發生了損耗,該電流略小于t0階段的原邊電流。QC打開,且實現了ZVS,而此時QA關閉。原邊電流此前流過QA的漏-源極,現在則沿QA的漏-源電容流動,電流保持不變。
流過QA漏-源電容的電流方向強制電流源流向接地電位,因此QA的漏-源電容將充電,而QB的漏-源電容放電,直到內部的體二極管開始傳導,如圖5所示。

圖6 t4階段電源轉換間隔
諧振轉換使QB接通,且實現了ZVS,保證轉換幾乎無損耗。此前QC已經接通,所以一旦QB啟動,變壓器原邊將與輸入電壓軌兩邊實現直接連接。變壓器隨后開始從一次側向二次側輸電,如圖6所示。
定時間隔基本與標準移相轉換周期一致。接通兩個對角開關,給變壓器原邊施加全輸入電壓。電流上升的速率由VIN及串聯原邊電感決定,不過其初始值為負值,而不是零。電流上升至輸出電流除以變壓器匝比所得之商的水平。
在t4階段結束時,一次轉換周期結束,這時QC已切斷。電流流過QC的漏-源極,QC關斷后電流停止,但會繼續沿QC內部的漏-源電容流動,這就使QC的漏-源電容(此前幾乎為零)充電至輸入電壓VIN。QD的漏-源電容在此期間放電,使QD實現ZVS,而幾乎沒有漏-源電壓通過它。此階段的電流假定保持為常量。
下面以48V輸入DC/DC轉換器設計作為示例來加以說明,該設計在最大電流為15A時輸出電壓3.3V,副邊與原邊絕緣,最大為1.5kV。該設計采用UCC2895高級相移式PWM控制器來實施全橋功率級控制,對兩個半橋的轉換進行相移。電路工作在固定頻率上,在大部分轉換器負載范圍中采用峰值電流模式控制,實現ZVT。如前所述,通過轉換器的寄生電容、漏感以及串聯于原邊繞組的小型分立電感可實現ZVS。
在輸入電壓為36V、48V及72V以及輸出電流為1A至15A(以1A步進)的情況下進行了效率測量。由測量結果可知,全橋轉換方式與帶有整流倍流電路的副邊同步整流結合,可實現比其他傳統設計更高的效率。此外,ZVS在轉換過程中對開關元件造成的應力更低,降低了EMI,增加了設計的可靠性。



