中心議題:
- LED背光源的電路模型
- 偏置電阻對LED 背光源亮度均勻性的影響
- LED 的發光亮度對亮度均勻性的影響
1 引言
LED 正成為背光照明的主流器件。一般背光源設計中有多個LED,所以要考慮各個LED 亮度的一致性。在實際應用中,可根據向電壓(Vf)對LED 器件進行“差異篩選”.LED 的Vf 值是背光設計的重要變數。將多個LED 連接在一起使用時,各管電流均必須匹配,整個組件才能產生一致的亮度。
LED 的亮度決定于流過它的電流。實現恒定電流最簡單的方法,是將多個LED 串聯起來。這樣不用差異篩選,串聯LED 就能確保流過各個LED 的電流相同。但是串聯時的總體正向電壓為多個LED 的Vf 之和,需要使用帶電感的具有升壓功能的LED 驅動電路,使得成本增加。而且,一個LED 發生故障就會使整個背光源失效。此外,串聯驅動方法有較強的電磁干擾, 對通訊產品尤其不利。
將多個LED 并聯的設計方法,無需帶電感的升壓電路,電磁干擾較小,容錯性較強。但為了保證亮度的均勻性,必須對LED 進行差異篩選。隨著所用LED 數量的增加,成本也會因差異篩選而增加。即使經過差異篩選,LED 的Vf 值仍會存在一個變化范圍,影響亮度的均勻性。
本文重點討論在LED 并聯設計中,如何提高亮度的均勻性。
2 LED 背光源電路模型
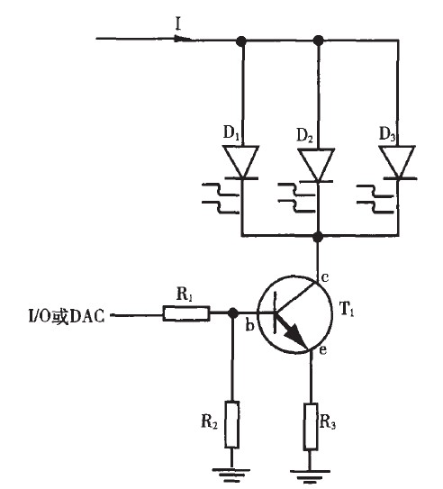
將三個LED 并聯構成背光源, 其總電流由三極管電路控制, 如圖1 所示。亮度均勻性的NLED 被定義為:

式中,Imax 和Imin 為各個LED 電流的最大值和最小值;

圖1 LED 背光源的驅動電路
圖中, D1, D2, D3 為發光二極管, T1 為NPN 型三極管, R1 , R2 , R3 的阻值可根據總電流I 的設計要求進行調節, I/O 或DAC 為控制端口。
理想發光二極管的正向電壓為:

實際上, 寄生電阻對Vf 影響很大:

式中: I 為正向電流;n 為理想因子;k 為玻爾茲曼常數(1.38x10- 23 J /K) ; T 為溫度( 298K 或25℃) ;q 為電子電量( 1.602x10- 19 C) ;Is 為飽和電流; R 為寄生電阻;本文以西鐵成公司的發光二極管為例, 其特性參數如表1 所示。

表1 發光二極管特性參數
[page]
依據式(2) ,使用對分法[2]計算出在不同正向電壓下,三種LED 的正向電流,如圖2 所示。

圖2 不同LED的正向電壓與電流的關系
由圖2 可以看出,在相同的電壓下,不同LED 的電流不同, 即亮度不同。LED 都有其額定電流,西鐵城LED 的額定電流為20mA,所以本文給出了20mA以內的數據。
3 偏置電阻對LED 背光源亮度均勻性的影響
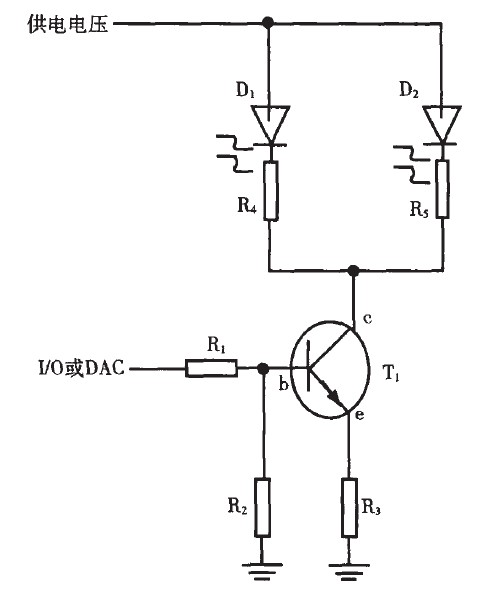
在實際設計中,利用外加偏置電阻,即在每個LED 處串聯一個電阻來改善LED 背光源的亮度均勻性。本文討論兩個LED 并聯,加偏置電阻R4=R5的情況, 如圖3 所示。

圖3 加偏置電阻的電路圖
計算機利用對分法算出了在總電流為15mA,外加偏置電阻(R)為R4=R5=0 , 22 , 47 , 68 , 100 , 150, 200 (Ω) 時, D1 和D2 的電流( I1 和I2) 、亮度均勻性( Uni)、正向電壓(V5) 、以及偏置電阻帶來的功耗(P)。
[page]
計算結果如表2 及圖4、圖5 所示。

表2 不同偏置電阻的計算結果

圖4 偏置電阻對亮度均勻性的影響

圖5 偏置電阻對功耗及供電電壓的影響
由表2 和圖4、5 可以看出,外加偏置電阻可以顯著提高亮度的均勻性, 但電路的功耗會相應增加,對LED 正向電壓的要求會增大。例如,外加150Ω偏置電阻時,其耗散功率為17mW,V5 為3.104V。
對于鋰電池而言, 一般工作電壓范圍為3.0~4.2V,再考慮三極管的偏置電壓,因此,外加150Ω 偏置電阻是不能接受的。設計中要根據具體的供電電壓來確定偏置電阻的值。
[page]
4 LED 的發光亮度對亮度均勻性的影響
根據式(2),也可以通過改變LED 的發光亮度來改善LED 背光源的亮度均勻性,即通過改變系統的總電流來改善亮度的均勻性。本文討論兩個LED并聯,且外加68Ω偏置電阻的情況,結果如表3 及圖6 所示。


圖6 由外加偏置電阻改變系統總電流對亮度均勻性的影響
由表3 和圖6 可以看出,外加68Ω 偏置電阻使亮度降低,可以適當提高亮度的均勻性。在實際設計中,可利用本文所述方法進行模擬計算。
5 結論
本文討論了偏置電阻、和發光亮度對LED 亮度均勻性的影響。隨著偏置電阻值的增加、亮度的減小,LED 背光源的亮度均勻性會提高。實際設計中要兼顧偏置電阻的功耗、發光亮度和供電電壓等的要求。




