【導讀】本次設計的是由發射系統和接收系統共同組成的,能夠實現遠距離照明控制的無線遙感開關系統。系統的發射部分由一節12V干電池供電,接收部分則采用3節1.5V干電池。本文就為大家講解無線遙感開關系統的發射電路及接收電路。
系統使用無線收發模塊構成射頻發射和接收電路, 發射部分主要由按鍵編址電路、編碼電路和發射模塊組成; 接收部分主要由接收模塊、單片機控制電路和負載電路組成。
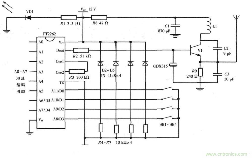
無線發射系統電路

圖1:無線開關系統發射部分電路
當按下按鍵后,按鍵將12 V 的電壓加到對應的數據端, 同時數據端信息通過晶振將信號并發射出去。PT2262 將會根據地址碼的設定和輸入的數據進行編碼, 從17 腳輸出編碼脈沖。無線通信受編碼脈沖控制, 當17 腳脈沖為“l” 時,V1 組成的振蕩器工作, 產生315 MHz 的高頻信號并發射出去; 當17 腳輸出脈沖為“0” 時,Vl 組成的振蕩器停止工作。
無線接收系統電路

圖2
當信號進入單片機后, 單片機對其進行分析并作出相應的控制。如果接收到的第一路信號為高電平, 單片機控制的數碼顯示管會顯示“11” ( 第一個“1” 表示第一路信號,第二個“1” 表示該信號為高電平) , 同時單片機向繼電器電路發出高電平, 繼電器吸合, 負載電路工作; 當第二次接收到高電平, 通過單片機將對應的端口電平置零;當第三次接收到高電平時再次置1, 如此循環; 當數碼管的顯示為“1 1” 時( 第一個1 表示第一路信號, 第二1 表示該信號為低電平) , 此時單片機向繼電器電路發出低電平, 繼電器斷開, 負載停止工作。利用繼電器和數碼管可以實現靈活控制并清晰地顯示。
本設計利用單片機AT89S52 和芯片組PT2262/2272實現了用于照明控制的可編程4 路無線開關系統, 避免了使用專用解碼芯片的有關限制, 能充分利用系統軟硬件資源, 系統的擴展性和靈活性好, 且成本低、功耗小,是智能家居照明控制的一種科學解決方案。
相關閱讀:
細數那些傳統家電轉型思路,智能家居誘惑何在?
五種智能家居布線方法,你該選哪種?
真正的智能家居應具備的四大特征





