【導讀】本文主要設計的是可穿戴監測器的建議脈搏血氧計,操作簡單,功能強大,能夠監測心率和血氧飽和度。如今可穿戴設備被應用于各個領域,可穿戴設備在醫學領域遍地生花。
持續監測心臟活動可以測量心率變異性(HRV),該參數可以了解到心臟健康狀況和其他疾病。
本設計實例是一款全新的脈搏血氧計設計,使用起來非常簡單,并且功能強。借助優異的性能,它甚至可以作為單獨設備使用,以監測心率及血氧飽和度。
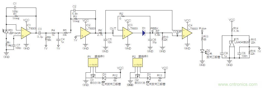
該系統的核心部件包括超亮紅光LED (KA - 3528SURC)、紅外線LED(VSMB3940X01-GS08)、對兩種光的波長同樣敏感的光電二極管(VBP104SR)。
運算放大器LT6003為整個系統的基本構件,在電路的幾個放大級均有使用。在圖1中,IC1充當跨阻抗放大器使用,將光電二極管產生的電流轉換為電壓。這一級提供高增益,從而使幾乎人體的每個部位都能使用傳感器。運算放大器IC2充當30倍增益的反相放大器。

圖1:脈搏血氧計。
比較器IC4負極輸入使用峰值檢測器電路連接至修正信號。IC3 、D1 、C6 等元器件用于檢測并保持輸入信號的最大電壓。R7和R10用來對C6電容器放電。該電路用作基準電壓,即使是傳感器在人體上位置的突然變化,其所產生的微弱脈搏也都被檢測到。
該電路配備了一個高通濾波器和兩個低通濾波器,用于濾除外部光線變化或交流閃光燈閃爍產生的不期望的干擾信號。高通濾波器和第一個低通濾波器的頻率設置為0.86Hz和159Hz。高通濾波器和低通濾波器的其他端子并未接地,而是接到1V基準電壓,以增加對檢測信號的偏置,以便后續處理。基準電壓由LM4040和分壓器(R15、R16)產生。經過IC2后,頻率設為5.9Hz的第二個低通濾波器對信號進行處理,進一步濾除其他不期望的干擾信號(見圖2、圖3)。

圖2:COMP節點(CH1)和脈搏節點(CH2)隨時間變化的電壓輸出。


圖3:輸出節點上的信號。
本文并未對脈搏讀取過程展開論述,其可以通過帶ADC的MCU來完成。MCU用于控制LED,檢測信號,并將信號轉換為血樣飽和度。即使采用窄帶帶通濾波器也可以對血氧飽和度進行計算。當紅光LED點亮后,ADC即開始檢測信號。在兩個或三個脈搏之后,紅外線LED可以與紅光LED同時點亮。MCU利用S=VR/VIR公式進行計算,其中電壓為峰峰值讀數,而S則代表組織血氧飽和度(StO2)校準表格中的數值。相關閱讀:
話說:2015可穿戴智能手環到底會走向哪?
長壽秘訣:可穿戴設備能阻止你的壞習慣
一步到位!做好可穿戴設備的ESD防護





