【導讀】電動化日益發展的汽車的功耗抑制已成為一個重要的課題。LED的功耗、壽命、設計自由度和控制性優異,被前照燈和室內照明等多種功能使用。TDK集團中的功率電感器根據使用的LED驅動器不同,形成了最合適升壓型、降壓型和升降壓型等不同系統的廣泛電感器系列產品。

電動化日益發展的汽車的功耗抑制已成為一個重要的課題。LED的功耗、壽命、設計自由度和控制性優異,被前照燈和室內照明等多種功能使用。TDK集團中的功率電感器根據使用的LED驅動器不同,形成了最合適升壓型、降壓型和升降壓型等不同系統的廣泛電感器系列產品。
驅動LED需要恒定電流電路。為了從變動的蓄電池電壓中取出穩定的電力,必須使用直流轉換器。使用的直流轉換器(LED驅動器)根據使用的LED數量和系統的不同,區分使用升壓型、降壓型和可同時升降壓的類型。假設蓄電池電壓降至6V左右,僅使用1個正向電壓為3.5V的一般白色LED時,使用降壓型,而串聯連接2-4個LED時,使用升降壓型,串聯連接5個以上時使用升壓型。此外,如果是具有前照燈、日間行車燈和轉向燈等多種功能的系統,有時會組合使用電路。

表1 LED驅動器的種類
雖然各個公司都有不同的稱呼,但是高功能的LED前照燈使用了改變照射范圍或自由改變輝度的配光可變功能。使用多個LED,根據需要調整各LED的輝度,改變亮度和照射范圍?;倦娐窐嫵扇鐖D1所示。升高電池電壓(Boost)(約40-60V),然后用降壓轉換器(Buck)為LED供電。

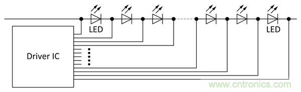
圖1 前照燈用LED燈電路構成
降壓轉換器(Buck)后面有多個LED串并聯連接。(圖2)為了改變輝度,調整流過各LED的電流,在極端情況下,只點亮一個LED,對上圖的降壓(Buck)轉換器的輸出電感器上施加接近60V的電壓。因此,在這種用途中使用時,選擇電感值比較高的電感器(例:100μH)。在前面的升壓轉換器的平滑用電容器中,為了瞬間改變照射范圍,必須相對急劇的變動保持穩定,因此需要耐壓100V、1-10μF的容量較大的電容器。

圖2 多個LED串并聯時的電路例
單燈型采用1個轉換器的方式,使用升降壓或升壓型。用于單功能車外照明、室內照明、車載信息娛樂系統等。
多光束型采用2個轉換器,前面使用升壓電路,后面使用降壓電路或恒定電流電路,車外照明中的前照燈時,在高光束和低光束的切換構成中使用。或者附加DRL(日間行車燈)。
自適應前照燈系統也是2個轉換器,前面使用升壓電路,后面使用降壓電路或恒定電流電路,作為主前照燈、DRL、方向指示器等LED前照燈系統使用。

表2 LED前照燈的驅動電路

表3 TDK推薦電感器的產品系列
單燈型LED前照燈簡化了功能,切換高/低光束使用。這種情況下,使用約15W-30W的升壓(Boost)轉換器,代表性的電路構成如下所示。
輸出電壓由LED的串并聯數決定,大約為20-30V。升壓電路時,與降壓電路相比,開關損耗較大,難以實現高頻化。目前主要是200-400KHz。

圖3 升壓轉換器的電路實例

日間行車燈和室內照明等、背光燈、方向指示器等功耗相對較少的照明使用恒定流電路、升降壓電路。
LED電路中使用的升降壓電路常使用SEPIC電路。

圖4
圖4所示的SEPIC電路實例中,使用2個電感器(L1、L2)和直流切斷用電容器(C1)。輸出以與一般升降壓轉換器相同的方式進行控制,通過以下公式求得。雖然以往的升降壓轉換器(電路B)輸入和輸出的極性相反,而SEPIC電路是相同的極性?;娟P系式如下所示,輸出電壓與電容器(C1)的輸入電壓相同。

根據上述關系式,理論上在L1和L2施加的電壓(VL1、VL2)相同,可以替換為圈數1:1的聯結雙線圈(電路C)。采用雙線圈時,施加在磁芯上的負擔是1個時的兩倍,并且需要磁芯損耗小、直流重疊大的電感器。B82477D*系列適合TDK的電感器產品。DR磁芯使用低損耗材料,抑制磁芯的發熱。

圖5 2合1電感器:B82477D*系列
推薦閱讀:



