【導讀】本章的學習目的是為了有效地使用LC復合型EMI靜噪濾波器?LC復合型EMI靜噪濾波器過去多用于模擬視頻線的噪聲抑制,近來廣泛用于從手機主板到連接LCD面板的扁平電纜等單端數字總線中?
因此,LC復合型EMI靜噪濾波器多為4條線路集成在1個芯片中的數組型?


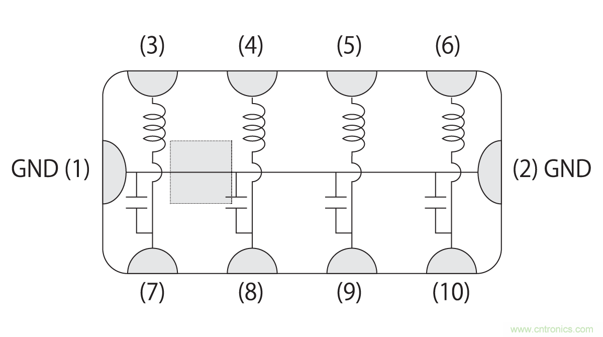
圖1 4組數組型LC復合濾波器的示例:NFA18SL系列
π型或T型LC 復合型濾波器有C-L-C結構的π型?L-C-L結構的T型?C-L或L-C結構的L型等多種結構?選擇哪一種結構,取決于濾波器前后電路的阻抗?LC濾 波器中的電容器(雖有例外)具有用低阻抗的電容器將高頻成分旁路掉?導入大地,從而除去噪聲的作用,因此,與此電容器相接部分的阻抗越高效果越好?
另 一方面,電感器具有所謂的用高阻抗使高頻噪聲反彈的作用,因此電感器與高阻抗部分相接則效果差,反之與低阻抗的電路相接則效果好?此原理歸納于圖2中?圖 中顯示了輸入端阻抗和輸出端阻抗的高低和該條件下噪聲除去效果好的濾波器結構?從圖中可以看出,對于L型濾波器這類不具有對稱結構的濾波器,若輸入輸出端 接反,則效果發生變化?使用時應加以注意?


圖2 輸入輸出端阻抗和效果好的濾波器結構的組合
[page]具有多個諧振頻率的濾波器
在 本章開頭提到,近來,LC復合型的濾波器多用于手機的噪聲抑制,但是手機的噪聲抑制的特點是,不僅要除去泄漏到手機外的噪聲,還有必要進行手機內的噪聲干 擾抑制?手機執行大量的數字處理,若此過程中產生的噪聲干擾到移動電話的接收電波,則會導致接受靈敏度降低的問題?對于泄露到外部的噪聲的抑制,由于受到 噪聲影響的機器離得較遠,因而相對容易;而對于手機內部的噪聲干擾,由于相互之間的距離近,必須采取確實有效的噪聲抑制措施?
通 常,此噪聲干擾中,有必要采取抑制措施的頻率為手機的載波頻率700MHz-2GHz附近,但若搭載了電視調諧器 ,則對于500MHz左右的頻率也需要采取抑制措施?常規的LC型濾波器明確表現的自諧振頻率為1個,但這類濾波器的令噪聲衰減的帶寬窄,在需要應對上述 大范圍的情況下,則性能不足?
因此,還設置了具有多個自諧振頻率LC復合型濾波器?如圖3的設計例子,除了在2GHz附近,在500MHz附近也有自諧振頻率,對電視頻帶和手機的載波頻率都有效?根據噪聲抑制所需的頻帶,對照插入損耗特性數據來選擇濾波器,有可能有效地降低噪聲,請嘗試一下這種方法?

圖3 具有2種自諧振頻率的LC復合型濾波器的例子




