【導讀】雙脈沖是分析功率開關器件動態特性的基礎實驗方法,貫穿器件的研發,應用和驅動保護電路的設計。合理采用雙脈沖測試平臺,你可以在系統設計中從容的調試驅動電路,優化動態過程,驗證短路保護。
雙脈沖是分析功率開關器件動態特性的基礎實驗方法,貫穿器件的研發,應用和驅動保護電路的設計。合理采用雙脈沖測試平臺,你可以在系統設計中從容的調試驅動電路,優化動態過程,驗證短路保護。
雙脈沖測試基礎系列文章包括基本原理和應用,對電壓電流探頭要求和影響測試結果的因素等。
為什么要進行雙脈沖測試?
在以前甚至是今天,許多使用IGBT或者MOSFET做逆變器的工程師是不做雙脈沖實驗的,而是直接在標定的工況下跑看能否達到設計的功率。這樣的測試確實很必要,但是往往這樣看不出具體的開關損耗,電壓或者電流的尖峰情況,以及寄生導通情況。這會導致對有些風險的認識出現盲點,進而影響最后產品未來的長期可靠性。又或者設計裕量過大帶來成本增加,使得產品的市場競爭力下降。如果能在設計研發階段,精準地了解器件的開關性能,將對整個產品的優化帶來極大的好處。比如能在不同的電壓、電流和溫度下獲得開關損耗,給系統仿真提供可靠的數據;又比如可以通過觀察波形振蕩情況來選擇合適的門極電阻。
雙脈沖測試原理
顧名思義,雙脈沖測試就是給被測器件兩個脈沖作為驅動控制信號,如圖1所示。第一個脈沖相對較寬,以獲得一定的電流。同時第一個脈沖的下降沿作為關斷過程的觀測時刻,而第二個脈沖的上升沿則作為開通過程的觀測時刻。

圖1
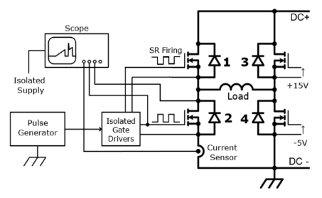
考慮到可能的電場干擾,最佳的雙脈沖平臺是全橋結構的,如圖2所示。3管的門極給15V常開信號,4管則是處于常關,2管作為被測器件給予雙脈沖信號。1管主要作用于續流,所以門極可以是常關信號,或者在使用MOS管時門極用同步整流信號。第1個脈沖來臨時,電流經過3管和負載電感進入2管。為了得到一個期望的電流值,此脈沖需持續一定時長,時長可通過T=I*L/V來獲得,其中L是負載電感值,I是期望電流,V是母線電壓。當然實際中可以直接用示波器觀察電流值來調整脈寬。
第一個脈沖結束時,2管關斷,表現出器件的關斷波形。此后,電流在3管、負載和1管中續流。當第2個脈沖到來時,2管開通,1管上的電流重新流入2管,這時可測量1管的反向恢復特性及2管的開通特性。其中電流的獲取在小功率時可以采用電流檢測電阻,而大電流時一般使用磁性電流檢測器,比如羅氏線圈或者Pearson磁環。關于電壓電流探頭的使用之前有專門的文章詳細介紹過。

圖2
平時實驗室測量時結構上也可以簡化成半橋形式,如圖3,工作原理和全橋類似,這里就不贅述了。

圖3
哪些參數可以通過雙脈沖實驗獲得?
通過雙脈沖測試,可以得到包括開關損耗,各電壓電流尖峰值,斜率變化值在內的動態參數。比如IGBT參數:

各參數可以在示波器上直接測量得到,定義如圖4:

圖4
以及反并聯二極管參數:

各參數測量定義如圖5:

圖5
其中開關損耗需要借助示波器的函數運算功能獲得,也可以把所有波形都存成表格點再后期進行處理運算。圖6和圖7分別是開通和關斷波形。其中1通道黑色的是被測器件VCE的信號,2通道紅色的是橋臂電流,3通道綠色的是門極信號。數學運算1是電壓和電流信號的乘積,數學運算2是該乘積的積分線,也就是損耗值。根據國標定義,開通損耗的積分時間區間為門極電壓上升的10%到VCE電壓下降至2%這個區間;而關斷損耗的積分時間區間為門極電壓下降至90%到電流降到2%。如果有些許振蕩的話,以第一次觸及邊界值為準。但有嚴重振蕩的話建議調整驅動參數(比如增加門極電阻)重新測量。

圖6

圖7
總結
雙脈沖測試非常適合研發階段對器件在系統上的損耗評估,為系統仿真帶來數據支持。畢竟有太多的因素會使實際值和數據規格產生很大差別,用規格書上的值做為仿真依據粗糙了些,當然器件選型的時候還是很值得借鑒的。設計越精準,對成本控制就越友好。
(來源:英飛凌科技大中華區應用工程師 鄭姿清)
免責聲明:本文為轉載文章,轉載此文目的在于傳遞更多信息,版權歸原作者所有。本文所用視頻、圖片、文字如涉及作品版權問題,請電話或者郵箱聯系小編進行侵刪。
推薦閱讀:





