【導讀】降壓拓撲通常用于將較大的總線或系統電壓轉換為較小的電壓,使用降壓轉換器的優點在于,與執行相同轉換的線性調節器相比,效率非常高。為了從正輸入電壓產生負輸出電壓,設計者通常會選擇降壓-升壓拓撲結構或可能的SEPIC轉換器,這兩者都提供了比線性調節器高得多的合理效率,但是使用降壓轉換器也可以達到相同的結果,只要稍微改變同步降壓轉換器的節點參考,就可以創建一個負升壓轉換器。
具備恒定導通時間(COT)控制方式的轉換器將高效調節與極小的瞬態響應時間和簡單的設計相結合,COT轉換器也可以配置在降壓-升壓拓撲中,允許輸出負電壓,本節將演示如何使用降壓DC-DC輸出負電壓。
1.設計原理
降壓拓撲通常用于將較大的總線或系統電壓轉換為較小的電壓,使用降壓轉換器的優點在于,與執行相同轉換的線性調節器相比,效率非常高。為了從正輸入電壓產生負輸出電壓,設計者通常會選擇降壓-升壓拓撲結構或可能的SEPIC轉換器,這兩者都提供了比線性調節器高得多的合理效率,但是使用降壓轉換器也可以達到相同的結果,只要稍微改變同步降壓轉換器的節點參考,就可以創建一個負升壓轉換器,如圖13-1所示。

圖13-1:常用的同步Buck拓撲和負輸出Buck拓撲
這適用于需要產生互補輸出電壓的應用,如音頻,或需要負電壓水平的工業應用,如IGBT柵極驅動器關斷。在LCD顯示器和嵌入式應用中也觀察到了其他用途,其中一些特定應用的IC需要負電源,該電路在負輸出開關調節器應用中提供了正輸出降壓轉換器的優點。
2.設計簡圖
設計簡圖是圍繞COT同步降壓轉換器來構建的,假定該轉換器具有600Khz的固定頻率,COT拓撲結構的使用允許用戶開發一種非常簡單的電源,而無需補償。從內部低側MOSFET產生電流斜坡反饋,因此所需的外部組件是功率LC濾波器、輸入電容去耦和自舉電容器。

圖13-2:負輸出Buck拓撲
電路的控制將與標準降壓轉換器的控制相同,然而有一個關鍵的區別在于,電感器的節點連接從Vout到0V的變化會導致電路電流的變化,這反過來又允許產生負輸出電壓,IC的0V現在變成負輸出電壓。

圖13-3:從圖13-2中得到的節點波形的模擬
MOSFET驅動波形如圖13-3所示,類似于標準降壓轉換器,還顯示了LX電壓。LX波形的范圍從-3.3V到+12V,當低側MOSFET導通時,大部分幅度從-3.3V到0V,下一個軌跡表示輸出電壓-3.3V。
接下來可以看到電感器電流,其中心在0A附近,模擬中沒有負載,接下來出現的關鍵波形IM1和IM2表示電路中的電流,注意,這些波形參考0V。電流通過高側MOSFET從+V流到0V,但是電流從正流向負,因此電流在減少,如IM1軌跡所示。當M1斷開而M2接通時,電流從-V流到0V,這可以從增加的電流中看出,而MOSFET M2由于0V的參考點而顯示出減小的電流。為了確定占空比,保持了與降壓轉換器的相似性,但是現在電感器兩端的電壓將是Vin+|Vout|。

其余的計算結果類似于一個標準的降壓轉換器。
3.設計計算
該電路的總體設計規范如下:
Vin=12V,Vout=-3.3V,fsw=600kHz,Iout=3A,Vrapite=150mV,Vin_ripple=100mV。
器件感測通過低側MOSFET的電流,因此這個信號需要相當大,以便從可能存在的任何系統噪聲中明顯探測到。這種方法是使用較大的紋波電流,設置為負載電流的40%,允許用戶縮小電感器的尺寸。值得注意的是,在這一點上,控制器的計算相對簡單,因為系統以COT拓撲運行,同時也在內部控制通過低側MOSFET的電流,幾乎沒有需要設計計算的外部部件。

表13-1:設計參數
計算結果如表13-1所示,其中一些值已被轉換為可用的值。

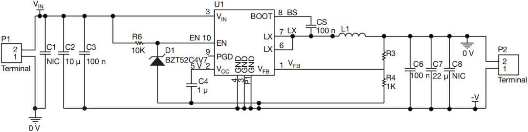
圖13-4:實際設計原理圖
示意圖13-4表示節點參考的變化,其中Vout變為0V,0V變為Vout,必須確保0V的輸入端有去耦,-Vout的輸入端也有一些去耦,使用齊納二極管將啟用引腳箝位到4.7V,這將在打開和關閉時保護部件。
4.典型波形
瞬時響應

圖13-5:綠色=負載電流,紫色=輸出紋波電壓,+240mV,-80mV
瞬態響應具有300mV的恢復尖峰,考慮到輸出端的保持電容為22uF,這是合理的,當前步驟控制得很好。
電壓紋波

圖13-6:綠色= ILoad 2A/div,紫色=輸出紋波10mV/div
從圖13-6可以看出,電壓紋波得到了很好的控制,對于22uF的輸出電容,得益于高開關頻率,電壓波動不超過80mV。
啟動時電壓升高

圖13-7:綠色= ILoad 2A/div,紫色=Vout 2V/div
從圖13-7中可以看出,電壓上升時間是單調的,這表明器件控制效果比較好。
效率和功率損失

圖13-8:效率測量條件:Vin=12V/5V,Vout=-3.3V,fsw=600kHz、L=3.3uH
5.小結
本節提供了一種從正電源創建高性能負電壓輸出的理想方式,需要注意的是,由于輸出電壓為負電壓,所以器件兩端的壓差為Vin+|Vout|,需要確保在零部件的額定電壓之內,包括電容。
免責聲明:本文為轉載文章,轉載此文目的在于傳遞更多信息,版權歸原作者所有。本文所用視頻、圖片、文字如涉及作品版權問題,請聯系小編進行處理。
推薦閱讀:
聚焦智能座艙及車載顯示新技術,新產品︱盡在2024汽車工業技術博覽會



