【導讀】本應用筆記介紹了帶有嵌入式 A/D 轉換器的 CDBCAPTURE 系統的使用。本文將介紹 CDBCAPTURE 系統并提供一些示例。
本應用筆記介紹了帶有嵌入式 A/D 轉換器的 CDBCAPTURE 系統的使用。本文將介紹 CDBCAPTURE 系統并提供一些示例。
CDBCAPTURE 系統可用于從嵌入式模數轉換器 (ADC) 收集數據。因此,可以測量、分析和量化模擬前端的系統性能。通過分析測量的性能,可以識別、隔離噪聲源并采取糾正措施。這里使用 CDBCAPTURE 作為工程工具,減少系統測試和集成期間的開發時間。另一個應用程序可以在生產中使用 CDBCAPTURE 來測試成品并驗證系統性能。
CDB捕獲
CAPTURE 接口板是一種開發工具,可將 Crystal Semiconductor ADC 連接到 PC 兼容計算機。來自 ADC 的數字數據被收集在高速數字 FIFO 中,然后通過串行 COM 端口傳輸到 PC。隨附評估軟件可分析數據并演示 ADC 的性能。整個系統由CAPTURE接口板、串行電纜、RS232電纜和軟件組成。
帶有嵌入式 ADC 的 CDBCAPTURE
CDBCAPTURE 電路板設計用于直接與大多數 Crystal Semiconductor ADC 評估板連接。這允許一種快速、簡單的方法來量化和驗證 ADC 的性能。然而,通常需要測量實際系統中 ADC 的性能或測量整體系統性能。為了從嵌入式 ADC 收集數據,需要設計特殊的串行電纜。該電纜包含評估板上存在的數字接口電路。該電纜連接到 ADC 上的相應信號。
為了從嵌入式 ADC 收集數據,需要將評估板上的數字接口電路集成到經過修改的串行電纜上。圖 1 是說明該過程的框圖。在圖 1 的頂部,評估板 CDBXXXX 包含數字接口電路,該電路將來自 ADC 的信號轉換為名為 FRAME、SCLK 和 SDATA 的三個標準串行信號。這些信號的時序和格式因設備類型而異。

CDBCAPTURE接口
在嵌入式 ADC 應用中,ADC 和 CDBCPATURE 電路卡之間的數字接口電路應在連接到串行電纜的小卡上實現,如圖 1 底部所示。需要識別適當的數字輸入信號。然后實施一種將這些信號從嵌入式系統連接到電纜的方法。連接方案因每個應用而異,并且易于實施。
評估板數據表中提供了數字接口電路原理圖。在原理圖上找到包含信號的串行接口連接器:+5 V、GND、FRAME、SCLK 和 SDATA。從該連接器返回 ADC,確定創建串行信號所需的電路。該電路在單獨的電路板上實現,連接到帶有用于其 CDBCAPTURE 接口的 IDC 插座的 10 導體帶狀電纜。ADC接口可以是任何易于實現的連接器方案。可能的替代方案包括樁頭、測試夾、圓形連接器或“D”型連接器。
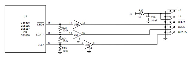
CS5508 示例
以下示例使用 CS5508 來說明設計修改后的串行電纜的過程。通過檢查 CDB5508 評估板的原理圖,可以識別數字接口電路。CDB5505/6/7/8 數據表的圖 1 提供了 CDB5508 評估板的原理圖。數字接口部分如下圖2所示。如果 CS 始終處于活動狀態,則不需要電阻器 R23、R24 和 R25。另外,使用 CAPTURE 板時,U3B 始終處于活動狀態,因此可以將其更改為通用緩沖區,例如 U2。
使用帶有嵌入式 ADC_2.png 的 CDBCAPTURE 系統

圖 3 顯示了源自圖 2 的修改后電纜的原理圖。DRDY、SCLK 和 SDATA 信號經過緩沖,為 CAPTURE 板創建串行電纜信號。5 伏電源從嵌入式系統獲得,并經過 R1 和 C1 濾波,然后提供給 CAPTURE 板。C2 是 U1 的旁路電容器。

數字接口的改進串行電纜實現
CDBCAPTURE 系統旨在輕松連接到大多數 Crystal Semiconductor ADC 評估板。評估板上包含數字電路以實現標準串行數據總線。CAPTURE 板可通過軟件重新配置,以適應不同的 ADC 和未來產品。CDBCAPTURE 系統可以輕松地將數字數據傳輸到 PC 進行分析。
很多時候,當 ADC 在完整的采集系統內運行時,需要從 ADC 收集數據。在這種情況下,CAPTURE 板的數字接口電路是在系統外部經過修改的電纜上實現的。電氣系統必須提供適當的互連方案,使用連接器或夾住的測試點。
修改后的串行電纜允許用戶在 ADC 嵌入電氣系統時測量其性能??梢詼y量和量化 ADC 以及系統性能。此信息用于隔離問題并調查某些子系統如何相互交互。
免責聲明:本文為轉載文章,轉載此文目的在于傳遞更多信息,版權歸原作者所有。本文所用視頻、圖片、文字如涉及作品版權問題,請聯系小編進行處理。
推薦閱讀:


