【導讀】運算放大器在輸入為0V的時候,輸出不一定為0V,可能幾十uV到幾mv,這個叫做運算放大器的直流偏置,如果放大倍數比較大的話,這個直流偏置也會被放大,為了消除直流偏置,在運放的電源端和輸入端加一個幾M的電阻,或者有的運放本身就有調零端Voffset,接上一個電阻用于抵消直流偏置,這個電阻就叫做偏置電阻。
運算放大器在輸入為0V的時候,輸出不一定為0V,可能幾十uV到幾mv,這個叫做運算放大器的直流偏置,如果放大倍數比較大的話,這個直流偏置也會被放大,為了消除直流偏置,在運放的電源端和輸入端加一個幾M的電阻,或者有的運放本身就有調零端Voffset,接上一個電阻用于抵消直流偏置,這個電阻就叫做偏置電阻。
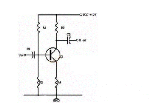
放大電路的元件是三極管,所以要對三極管要有一定的了解。用三極管構成的放大電路的種類較多,我們用常用的幾種來解說一下。圖1是一共射的基本放大電路,一般我們對放大路要掌握些什么內容?
(1)分析電路中各元件的作用;
(2)解放大電路的放大原理;
(3)能分析計算電路的靜態工作點;
(4)理解靜態工作點的設置目的和方法。
以上四項中,一項較為重要。

偏置電阻的計算
圖1中,C1,C2為耦合電容,耦合就是起信號的傳遞作用,電容器能將信號信號從前級耦合到后級,是因為電容兩端的電壓不能突變,在輸入端輸入交流信號后,因兩端的電壓不能突變因,輸出端的電壓會跟隨輸入端輸入的交流信號一起變化,從而將信號從輸入端耦合到輸出端。但有一點要說明的是,電容兩端的電壓不能突變,但不是不能變。
R1、R2為三極管V1的直流偏置電阻,什么叫直流偏置?簡單來說,做工要吃飯。要求三極管工作,必先要提供一定的工作條件,電子元件一定是要求有電能供應的了,否則就不叫電路了。
在電路的工作要求中,條件是要求要穩定,所以,電源一定要是直流電源,所以叫直流偏置。為什么是通過電阻來供電?電阻就象是供水系統中的水龍頭,用調節電流大小的。所以,三極管的三種工作狀態“:載止、飽和、放大”就由直流偏置決定,在圖1中,也就是由R1、R2來決定了。
首先,我們要知道如何判別三極管的三種工作狀態,簡單來說,判別工作于何種工作狀態可以根據Uce的大小來判別,Uce接近于電源電壓VCC,則三極管就工作于載止狀態,載止狀態就是說三極管基本上不工作,Ic電流較?。ù蠹s為零),所以R2由于沒有電流流過,電壓接近0V,所以Uce就接近于電源電壓VCC。
若Uce接近于0V,則三極管工作于飽和狀態,何謂飽和狀態?就是說,Ic電流達到了值,就算Ib增大,它也不能再增大了。
以上兩種狀態我們一般稱為開關狀態,除這兩種外,第三種狀態就是放大狀態,一般測Uce接近于電源電壓的一半。若測Uce偏向VCC,則三極管趨向于載止狀態,若測Uce偏向0V,則三極管趨向于飽和狀態。
理解靜態工作點的設置目的和方法
放大電路,就是將輸入信號放大后輸出,(一般有電壓放大,電流放大和功率放大幾種,這個不在這討論內)。先說我們要放大的信號,以正弦交流信號為例說。在分析過程中,可以只考慮到信號大小變化是有正有負,其它不說。上面提到在圖1放大電路電路中,靜態工作點的設置為Uce接近于電源電壓的一半,為什么?
這是為了使信號正負能有對稱的變化空間,在沒有信號輸入的時候,即信號輸入為0,假設Uce為電源電壓的一半,我們當它為一水平線,作為一個參考點。當輸入信號增大時,則Ib增大,Ic電流增大,則電阻R2的電壓U2=Ic&TImes;R2會隨之增大,Uce=VCC-U2,會變小。U2理論上能達到等于VCC,則Uce會達到0V,這是說,在輸入信增加時,Uce變化是從1/2的VCC變化到0V.
同理,當輸入信號減小時,則Ib減小,Ic電流減小,則電阻R2的電壓U2=Ic&TImes;R2會隨之減小,Uce=VCC-U2,會變大。在輸入信減小時,Uce變化是從1/2的VCC變化到VCC。這樣,在輸入信號一定范圍內發生正負變化時,Uce以1/2VCC為準的話就有一個對稱的正負變化范圍,所以一般圖1靜態工作點的設置為Uce接近于電源電壓的一半。
要把Uce設計成接近于電源電壓的一半,這是我們的目的,但如何才能把Uce設計成接近于電源電壓的一半?這就是的手段了。
這里要先知道幾個東西,個是我們常說的Ic、Ib,它們是三極管的集電極電流和基極電流,它們有一個關系是Ic=β&TImes;Ib,但我們初學的時候,老師很明顯的沒有告訴我們,Ic、Ib是多大才合適?這個問題比較難答,因為牽涉的東西比較的多,但一般來說,對于小功率管,一般設Ic在零點幾毫安到幾毫安,中功率管則在幾毫安到幾十毫安,大功率管則在幾十毫安到幾安。
在圖1中,設Ic為2mA,則電阻R2的阻值就可以由R=U/I來計算,VCC為12V,則1/2VCC為6V,R2的阻值為6V/2mA,為3KΩ。Ic設定為2毫安,則Ib可由Ib=Ic/β推出,關健是β的取值了,β一般理論取值100,則Ib=2mA/100=20#A,則R1=(VCC-0.7V)/Ib=11.3V/20#A=56.5KΩ,但實際上,小功率管的β值遠不止100,在150到400之間,或者更高,所以若按上面計算來做,電路是有可能處于飽和狀態的,所以有時我們不明白,計算沒錯,但實際不能用,這是因為還少了一點實際的指導,指出理論與實際的差別。這種電路受β值的影響大,每個人計算一樣時,但做出來的結果不一定相同。也就是說,這種電路的穩定性差,實際應用較少。但如果改為圖2的分壓式偏置電路,電路的分析計算和實際電路測量較為接近。

偏置電阻的計算
在圖2的分壓式偏置電路中,同樣的我們假設Ic為2mA,Uce設計成1/2VCC為6V。則R1、R2、R3、R4該如何取值呢。計算公式如下:因為Uce設計成1/2VCC為6V,則Ic&TImes;(R3+R4)=6V;Ic≈Ie??梢运愠鯮3+R4=3KΩ,這樣,R3、R4各是多少?
一般R4取100Ω,R3為2.9KΩ,實際上R3我們一般直取2.7KΩ,因為E24系列電阻中沒有2.9KΩ,取值2.7KΩ與2.9KΩ沒什么大的區別。因為R2兩端的電壓等于Ube+UR4,即0.7V+100Ω×2mA=0.9V,我們設Ic為2mA,β一般理論取值100,則Ib=2mA/100=20#A,這里有一個電流要估算的,就是流過R1的電流了,一般取值為Ib的10倍左右,取IR1200#A。則R1=11.1V/200#A≈56KΩR2=0.9V(/200-20)#A=5KΩ;考慮到實際上的β值可能遠大于100,所以R2的實際取值為4.7KΩ。這樣,R1、R2、R3、R4的取值分別為56KΩ,4.7KΩ,2.7KΩ,100Ω,Uce為6.4V。
在上面的分析計算中,多次提出假設什么的,這在實際應用中是必要的,很多時候需要一個參考值來給我們計算,但往往卻沒有,這里面一是我們對各種器件不熟悉,二是忘記了一件事,我們自己才是用電路的人,一些數據可以自己設定,這樣可以少走彎路。
陰極偏置電阻和反饋電阻的計算?
對于輸入級陰極處施加了大環路負反饋的功放來說,在設計的過程中,EP2C8F256CXNAA對陰極偏置電阻和反饋電阻的計算,容易成為復雜的計算。不過,如果我們能保持鎮定,通過畫出眾多簡明扼要的電路分析圖,把所有信息全部做好標注,那么,問題就可以得到簡化,能達到我們可掌控的程度。
只在信封背面寫寫畫畫,是難以得到答案的。我們需要同時考慮如下4個主要因素。
·我們需要正確地設置好陰極偏置電壓。通常來說,這是歐姆定律的簡單應用;但這里稍復雜一些,因為偏置電流將同時流過陰極電阻和反饋電阻。
·榆入管本身在陰極電阻上產生電流反饋,而這個陰極電阻,還有來自于放大器輸出端的電流流過。
·我們需要設定好陰極電阻與反饋電阻的阻值比例,以便獲得所需的負反饋量。
·就我們關心的AC來說,陰極電阻是與輸入管的‰并聯的。我們已知道限制因素,現在,應該可以畫圖作標注,并利用公式進行一些計算。
由于我們需要讓陰極電壓等于2.5V,而陽極電流為190V/47kQ,因此,陰極與地線之間的總電阻必定為618.4Q。
要實現Mullard所稱的11W的EL84推挽輸出功率,需要讓輸入管陽極信號擺幅達到8.636。這意味著,陽極信號電流須為8.636V/47kQ=0.1837mARMs。這個電流也流進陰極電路,在沒有作旁路處理的電阻上形成反饋電壓。
我們希望這臺功放的輸入靈敏度為2Ms,我們還知道,在施加大環路負反饋之前,輸入靈敏度為298Ms。因此,陰極處的反饋電壓需為2V一0.298V=1.702Ms。我們知道,在輸出10W時,功放的輸出信號將是8.944Ms。
免責聲明:本文為轉載文章,轉載此文目的在于傳遞更多信息,版權歸原作者所有。本文所用視頻、圖片、文字如涉及作品版權問題,請聯系小編進行處理。
推薦閱讀:



