【導讀】螺線管既可作為換能器,也可用作繼電器,是一種廣泛應用的綜合性機電元件,如今已在大多數汽車中用來調整液壓油流過自動變速器的流量,或用于操縱為啟動發動機供能的大電流開關。本文中討論螺線管的內部架構,概述控制螺線管裝置的應用電路,并系統介紹了節電型驅動器的設計要領。
摘要
螺線管既可作為換能器,也可用作繼電器,是一種廣泛應用的綜合性機電元件,如今已在大多數汽車中用來調整液壓油流過自動變速器的流量,或用于操縱為啟動發動機供能的大電流開關。本文中討論螺線管的內部架構,概述控制螺線管裝置的應用電路,并系統介紹了節電型驅動器的設計要領。
螺線管電磁閥是一種機電執行器,其稱為活塞的磁芯可在電磁閥內自由移動。一般來說,螺線管由一個螺旋形線圈和一個由鐵制成的移動鐵芯活塞組成。
當電流通過螺線管線圈時,螺線管內會產生磁場。該磁場產生一個力,將活塞拉入。當磁場產生足夠的力來拉動活塞時,活塞會在電磁閥內移動,直至到達機械停止位置。當活塞移入電磁閥內后,磁場僅需產生將活塞固定到位的力。當電磁閥線圈中的電流消失時,活塞將在螺線管電磁閥中彈簧的推動下,返回其原始位置。圖1所示為螺線管架構。

圖1:螺線管架構示意圖。
驅動電磁閥的最常見方法是在電磁閥線圈中施加所需電壓。這通??梢岳门渲迷诟邆然虻蛡鹊膯蝹€功率晶體管來實現。由于螺線管線圈的電感很大,功率晶體管需要一個飛輪二極管與螺線管并聯,以便將電流推入晶體管。盡管這種方法簡單且成本低,但功率效率太低。這是因為螺線管電磁閥通常需要很大電流才能將活塞拉入,但當活塞被拉入后,就不再需要這么大的電流。在簡單的驅動器方法中,當活塞被拉入并使活塞處于保持狀態時,施加在螺線管電磁閥上的電流功率,主要通過其內阻產生熱量而耗散掉了。內部螺線管電阻中耗散功率可由歐姆定律公式給出。
解決此問題的另一種方法,是利用電流調節驅動器來激活和關閉電磁閥。該驅動器可以在螺線管電磁閥中施加一個峰值電流,拉入活塞,然后,再把電流降低到活塞保持所需大小。此策略大大降低了螺線管內阻功耗。這種驅動器的另一個優點是,可以在較大的電壓范圍內利用螺線管電磁閥。這意味著驅動器允許螺線管原設計用于較低電壓(例如5V)的電磁閥,在較高電源電壓(比如12V電源)條件下工作亦不會損壞。
以下將介紹如何利用SLG47105 HVPAK器件,來實現用于兩個電磁閥的電流調節驅動器。
GreenPAK設計概念
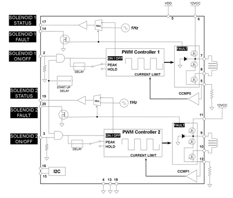
利用單個SLG47105器件可以同時驅動兩個不同的電磁閥。SLG47105器件將控制通過螺線管電磁閥的電流,并將每個電磁閥的狀態(打開、關閉或故障狀態)通知用戶。圖2顯示了其內部架構的概念框圖。

圖2:利用SLG47105實現的節能型螺線管電磁閥驅動器框圖。資料來源:瑞薩
圖的右上角為高壓輸出(HVOUT)區塊的內部配置及其與外部電磁閥的連接。連接到Pin7的輸出配置為推挽式,連接到Pin8的輸出配置成開路漏極。開路漏極輸出在啟動延遲后始終保持開啟。Pin5內部連接到Pin8的N-Mosfet和內部電流放大器。Pin5用于測量螺線管電磁閥電流,將其與內部基準進行比較,并將比較結果發送到PWM控制器1。
PWM控制器1模塊生成所需的PWM信號,調節連接到Pin7和Pin8的螺線管電流。它有兩個設定點,一個是螺線管峰值電流,另一個是螺線管保持電流。PWM控制器的開/關輸入由其左側的AND端口激活。AND端口連接至啟動延遲和Pin2,用作打開和關閉螺線管電磁閥的外部接口。
連接到AND端口的啟動延遲模塊用于確保所有內部模塊在IC通電時能夠正確初始化。AND端口的輸出連接到另一個延遲模塊。當PWM控制器打開時,它被配置為將螺線管電流調節在其峰值電流值上。延遲50毫秒后,延遲模塊切換PWM配置,以將螺線管電流調節到保持電流值。
PWM控制器1模塊的開/關輸入也連接到多路復用器的一個輸入端。另一個多路復用器輸入連接到一個頻率為1赫茲的方波信號上。多路復用器輸出由HVOUT模塊中的FAULT信號控制。當FAULT(故障)信號顯示沒有任何故障時,On/Off(接通/斷開)輸入緩沖通過Pin17,即電磁閥1狀態輸出。而當FAULT信號顯示有故障時,方波信號在該輸出端被驅動。電磁閥1狀態輸出用來驅動外部LED,并為用戶顯示螺線管電磁閥狀態。該狀態可以點亮、熄滅、或在處于故障狀態時,LED以方波輸出頻率閃爍。
Pin14提供了一個附加FAULT(故障)輸出作為開路漏極輸出。該輸出用于驅動外部設備,如微控制器。
圖2中,PWM控制器1下方是PWM控制器2。PWM控制器2外圍的控制架構與PWM控制器1類似。
兩個FAULT(故障)輸出可以與外部連接,因為它們是漏極開路輸出,如果其中一路輸出有問題,另一個還可為外部設備提供FAULT信號。
另一個模塊是I2C;用于峰值電流和保持電流的再配置。
應用電路
圖3所示為本文使用的典型應用電路。

圖3:典型應用電路的簡化原理圖。資料來源:瑞薩
圖3所示為驅動兩個不同電磁閥(標識為S1和S2)的典型應用簡化示意圖。如圖所示,驅動器由連接到5伏電源的兩個按鍵控制。電磁閥與一個0.1Ω的小電阻器分別連接到各自的HVOUT輸出。此電阻器用于對通過電磁閥的電流進行外部測量,終端應用不需要此電阻器。對于SLG47105電流測量,兩個0.11Ω的電阻器連接到Pin5和Pin12。電磁閥狀態輸出連接到綠色LED,故障輸出連接到紅色LED。
本文使用兩個完全不同規格的螺線管電磁閥。表1顯示了電磁閥S1和S2的主要參數。

表1:螺線管電磁閥S1和S2的參數指標。資料來源:瑞薩
螺線管電磁閥電流設置
螺線管電磁閥電流將從調節峰值電流開始,在初始延遲后,將其降低到保持電流值。我們隨意定義保持電流應為額定峰值電流的20%?;诖硕x,通過測量檢測電阻上的電壓和電流,就可以計算保持電流的耗散功率。表2中給出了每個螺線管電磁閥的理想螺線管電磁閥電流、耗散功率和檢測電阻器上的電壓。

表2:內部電壓基準和各自的電流和耗散功率。資料來源:瑞薩
峰值電流值指的是額定電壓上的螺線管電磁閥額定電流。通過將峰值電流乘以0.2(20%)來計算保持電流。根據峰值電流和保持電流,可是計算出內部螺線管電阻的耗散功率。具體方法是根據通過0.11Ω的檢測電阻器的電流,再利用歐姆定律即可計算其結果。同理,利用額定螺線管電磁閥電壓及其峰值電流值,可計算S2的額定線圈電阻。
需要特別注意的是,用于與SLG47105中的檢測電阻電壓進行比較的參考電壓由內部6位DAC提供。必須利用調節電流將電壓調整到與SLG47105內部參考電壓最接近的值。考慮到這一點,應選擇表3所示的電壓參考值。表3顯示了內部電壓和各自的電流。由于外部電壓在電路內部被放大8倍,故所有內部值都是所需檢測電阻電壓的8倍。利用歐姆定律計算通過檢測電阻器的峰值和保持電流值。

表3:內部電壓基準和各自的電流和耗散功率。資料來源:瑞薩
注意,表3中標有(*)的值是在計算中得到的,不過,這些值似乎是不太可能的,故不代表實際情況。對于S2,峰值電流不需要電流調節,因為螺線管電磁閥的內阻會限制電流。考慮到這一點,決定將參考值設置為最大電流值。
免責聲明:本文為轉載文章,轉載此文目的在于傳遞更多信息,版權歸原作者所有。本文所用視頻、圖片、文字如涉及作品版權問題,請聯系小編進行處理。
推薦閱讀:




