【導讀】LT6700雙比較器囊括了用于在空間因素至關重要的設計中減少元件數量的諸多特點,包括一個取自經修整的片上400mV帶隙的基準和內部遲滯機制。LT6700還具有低壓微功率單電源操作(典型值為1.4V至18V、7μA)和Over-The-Top? I/O功能,旨在實現通用性的最大化,并提供特別適用于便攜式電池供電應用的解決方案。輸出是集電極開路的,目的在于實現邏輯線“與”功能,并能驅動相對較重的負載(高至40mA),比如繼電器或LED指示器。
LT6700支持多種設計配置,但仍采用一種引腳數目最少的封裝(6引腳ThinSOT?)。這是通過提供三種不同版本的LT6700來實現的,每種版本各有不同的配置。LT6700-1 為設計師提供了一個反相和一個同相輸入,特別適用于窗口檢測功能;LT6700-2提供了兩個反相輸入;而LT6700-3則提供了兩個同相輸入。內部基準與每個比較器部分的一個輸入相連,如圖1所示,剩下的兩個連接被用戶用來進行信號檢測。
圖1:LT6700系列的引腳功能
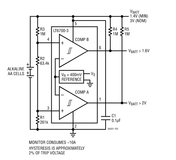
“電量測量”電池監控器
憑借LT6700精確的內部基準(在整個溫度范圍內的誤差為±2%)能容易地設計出一個簡單而準確的電池監控器。圖2示出了一個兩門限“鹼性”電池監控器的實現方案。對于所示的電阻值,當電池電壓降至2V(每節為1V)以下時(這對應于電池容量尚馀30% 的情形),引腳1輸出電平走低。當電池電壓為1.6V (每節為0.8V)時,引腳6輸出電平也走低,因為電池達到了其額定“壽命結束”電壓。門限點的數量可以容易地通過延長阻性分壓器鏈并采用附加比較器來增加。

圖2:微功率“電量測量”電池監控器
簡單的窗口功能狀態監控器
LT6700-1很適合那些能夠利用輸出線“與”功能的窗口比較應用。圖3示出了一個能在電壓限制被超過時提供光隔離報警指示的48V電源總線監控器。該電路所進行的微功率操作使其能夠采用簡單的齊納二極管技術直接從監控的電壓獲得工作電源。

圖3:48V電源總線狀態監控器
當總線工作電壓處于正常電壓范圍之內時,兩個比較器輸出均處于無效狀態,于是LED接通且報警輸出為低電平(報警清除)。如果總線電壓產生了足夠的偏移,則其中一個比較器把LED電壓拉低,從而導致報警。請注意,任何引起至光電晶體管的開路連接或阻止LED工作(即其他開路條件)的故障模式在目的邏輯輸入端上產生一個失效保險報警指示。LT6700在極低電壓條件下工作的能力確保了即使在總線電位深度下降的情況下也能夠提供正確的報警指示(22V齊納二極管通過使LED失效進一步消除在總線斷電變換過程中發出錯誤的故障指示之可能性)。
微功率恒溫器/溫度報警
雖然400mV基準不能直接為電路設計師所用,但一個反相比較器部分通過執行一個簡單的“砰-砰”伺服可被用來與基準成比例地對一個外部電壓進行調節。該技術示于圖4, 其中,乘數由一個等電阻反饋路徑設定為2。反相比較器負責控制電流以便保持電容器上的電壓,這樣,反饋信號在輸入遲滯點之間“往返”。LT6700遲滯的標稱值為6.5mV,因此,該電路在伺服電容器上具有約13mVP-P紋波。

圖4:微功率恒溫器/溫度報警
另一個比較器部分實際上執行的是報警判定,該判定是簡單地基于一個電阻半橋電路的不平衡。在該電路中,使熱敏電阻的阻值與一個已知電阻器相平衡,于是,針對所關心的溫度從熱敏電阻表中選擇RSET就能輕易地設定溫度門限。由于所示熱敏電阻的阻值變化約為–4.4%/°C,因此,輸出信號的溫度遲滯約為0.4°C,這適合于大多數環境控制應用。與熱敏電阻并聯的電容器用于濾除基準乘法電路的紋波。該電路的微功耗特點允許它在采用一個普通的3V鈕扣電池(即CR2032)時可連續工作兩年以上。
結論
LT6700提供了用于基于廣限狀態和控制功能的緊湊型微功率解決方案,其超寬的電源電壓范圍以及Over-The-Top功能為便攜式電池供電產品以及工業應用提供了理想的性能。
(來源:亞德諾半導體)
免責聲明:本文為轉載文章,轉載此文目的在于傳遞更多信息,版權歸原作者所有。本文所用視頻、圖片、文字如涉及作品版權問題,請電話或者郵箱editor@52solution.com聯系小編進行侵刪。
推薦閱讀:
如何以經濟實惠的方式將 EtherNet/IP、EtherCAT 和 PROFINET 添加到自動化工廠




