- 四象限光電探測器方案設計
- 本系統中采用ADS7864
- 采用鎖存器74HC373來連接89C51和ADS7864
一、原理
四象限光電探測器實際由四個光電探測器構成,每個探測器一個象限,目標光信號經光學系統后在四象限光電探測器上成像,如圖1。一般將四象限光電探測器置于光學系統焦平面上或稍離開焦平面。當目標成像不在光軸上時,四個象限上探測器輸出的光電信號幅度不相同,比較四個光電信號的幅度大小就可以知道目標成像在哪個象限上(也就知道了目標的方位),若在四象限光電探測器前面加上光學調制盤,則還可以求出像點偏離四象限光電探測器中心的距離或θ角來。

圖1 目標在四象限光電探測器上成像

圖2方位探測器原理框圖。
信號通過放大和調理后由由A/D轉換器(本系統中采用ADS7864)采樣轉換成數字量送入單片機,由單片機處理后得到目標的方位,并根據實際系統的需要輸出方位控制指令。
二、電路設計
根據實際系統的需要,A/D轉換器用ADS7864,單片機用最常見的89C51。
這里對ADS7864作一介紹。ADS7864是TI公司生產的12bit高性能模數轉換器,片上帶2.5V基準電壓源,可用作ADS7864的參考電壓。每片ADS7864實際由2個轉換速率為500ksps的ADC構成,每個ADC有3個模擬輸入通道,每個通道都有采樣保持器,2個ADC組成3對模擬輸入端,可同時對其中的1~3對輸入信號同時采樣保持,然后逐個轉換。由于6個通道可以同時采樣,很適合用來轉換四象限光電探測器的4路光電信號,剩下2個通道作系統擴展用。
*下面主要介紹電路中的信號采樣轉換和處理部分。
ADS7864前端調理電路
模數轉換器的前端調理電路縮放和平移要采樣的信號,通過調理后的信號適合A/D轉換器的模擬輸入要求。圖3是ADS7864一個輸入通道的前端調理電路,

圖3 ADS7864前端調理電路
ADS7864模擬輸入通道的+IN和-IN的最大電壓輸入范圍為-0.3V~+5.3V(ADS7864 +5V供電)。圖3的電路中使用了2個運放,A1用作跟隨器,用來緩沖ADS7864輸出的2.5V基準電壓源;A2和四個電阻構成了信號調理網絡,適當配置R1~R4電阻可以實現對輸入信號Vi的縮放和平移以適合ADS7864模擬通道的輸入要求。+IN端的輸入電壓表示如下:


ADS7864與單片機連接電路
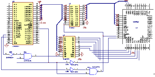
ADS786轉換后的結果通過DB0~DB15輸出,若將BYTE引腳接高電平,則每個結果分兩個字節從DB0~DB7讀出,用8位的單片機讀取非常的方便。為了避免89C51對ADS7864的干擾,用一片74HC244緩沖器來連接89C51的P0口和ADS7864的DB0~DB7,控制ADS7864的信號/HOLDA~/HOLDC、A0~A2也是通過89C51的P0口輸出,用一片74HC373來鎖存這些控制信號。圖4是89C51與ADS7864的連接電路圖,其中略去了其它的一些電路連接。

圖4 ADS7864與89C51的連接
系統采用89C51的P2.7尋址ADS7864,地址為8000H,同時用這個地址信號配合89C51的/WR和/RD信號作74HC244和74HC373的使能信號。要求當89C51的/RD=0,P2.7=1時才開啟74HC244,讀取ADS7864的轉換結果;當89C51的/WR=0,P2.7=1時74HC373才鎖存89C51 P0口上的數據信號,實現往ADS7864的控制端寫數據,其它時候74HC244和74HC373都是關閉的,這樣避免了89C51 P0口上的其它信號對ADS7864的干擾。采用鎖存器74HC373來連接89C51和ADS7864的原因是為了在ADS7864轉換數據的時候保持/HOLDA~/HOLDC、A0~A2端的電平保持不變,免得影響ADS7864轉換數據的精度。74HC244和74HC373的使能信號真值表如下:

根據真值表,可以用圖4中的邏輯電路來實現這兩個使能信號。系統的最終目標就是獲取數據,然后計算得出結果。89C51控制ADS7864轉換和讀取轉換結果的代碼如下:

啟動轉換后,在讀取數據前需要延遲的指令周期數需根據89C51和ADS7864的運行速度來決定。有關計算目標方位的代碼和算法這里就不再敘述。
三、 結束語
使用本文提出方案設計的方位探測儀器具有簡單有效、靈活易擴展、體積小、使用方便等特點,可以應用在很多需要測量目標方位的領域。







