【導讀】本次實驗旨在研究一個使用NPN晶體管的簡單差分放大器。首先,我們需要做一些關于硬件限制問題的筆記。ADALM2000 系統中的波形發生器具有高輸出帶寬,該高帶寬帶來了寬帶噪聲。由于差分放大器的增益,本次實驗中測量所需的輸入信號電平相當小。如果直接使用波形發生器輸出,則其輸出的信噪比將不夠高。通過提高信號電平,然后在波形發生器輸出和電路輸入之間放置衰減器和濾波器(圖1),可以改善信噪比。本次實驗需要如下材料:
● 兩個100 Ω電阻
● 兩個1 kΩ電阻
● 兩個0.1 μF電容(標記為104)

圖1.11:1衰減器和濾波器
本次實驗的所有部分都會使用該衰減器和濾波器。
帶尾電阻的差分對
材料
● ADALM2000主動學習模塊
● 無焊面包板
● 跳線
● 兩個10 kΩ電阻
● 一個15 kΩ電阻(將10 kΩ電阻和4.7 kΩ電阻串聯)
● 兩個小信號NPN晶體管(2N3904或SSM2212 NPN匹配對)
說明
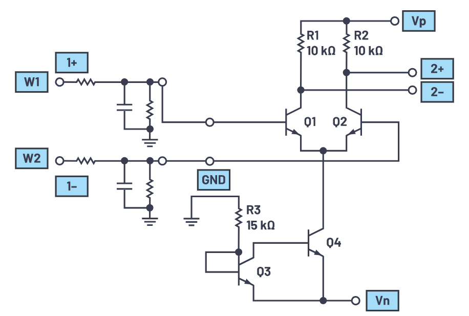
面包板連接如圖3所示。Q1和Q2應從您可用的且VBE匹配最佳的晶體管中選擇。Q1和Q2的發射極與R3的一端共享一個連接。R3的另一端連接到Vn (-5V),提供尾電流。Q1的基極連接到第一個任意波形發生器的輸出,Q2的基極連接到第二個任意波形發生器的輸出。兩個集電極負載電阻R1和R2分別連接在Q1和Q2的集電極與正電源Vp (5V)之間。差分示波器輸入(2+和2-)用于測量兩個10 kΩ負載電阻上的差分輸出。

圖2.帶尾電阻的差分對
硬件設置
第一個波形發生器配置為200 Hz三角波,峰峰值幅度為4 V,偏移為0。第二個波形發生器配置為200 Hz三角波,峰峰值幅度為4 V,偏移為0 V,但相位為180°。電阻分壓器將Q1和Q2的基極處的信號幅度降低到略小于200 mV。示波器的通道1應與1+連接到第一個波形發生器W1的輸出,與1-連接到W2的輸出。通道2應連接到顯示2+和2-,并設置為每格1 V。

圖3.帶尾電阻的差分對面包板電路
程序步驟
應獲取如下數據:x軸是任意波形發生器的輸出,y軸是使用2+和2-輸入的示波器通道2。通過改變R3的值,探索尾電流電平對電路增益的影響(觀察通過原點的直線的斜率)和對線性輸入范圍的影響,以及當電路飽和時,觀察增益非線性下降的形狀。然后在基本電路上增加點小元件,例如發射極退化電阻,探索擴展和線性化輸入擺幅范圍的技術及其對電路增益的影響。
配置示波器以捕獲所測量的兩個信號的多個周期。xy圖示例如圖4所示。

圖4.帶尾電阻的差分對xy圖
電流源用作尾電流
使用簡單電阻作為尾電流具有局限性。應探索構建電流源來偏置差分對的方法。這可以由幾個額外的晶體管和電阻構成,如之前的ADALM2000實驗 "穩定電流源"所示。
附加材料
● 兩個小信號NPN晶體管(Q3、Q4 = 2N3904或SSM2212)
說明
面包板連接如圖6所示。

圖5.帶尾電流源的差分對
硬件設置
第一個波形發生器配置為200 Hz三角波,峰峰值幅度為4 V,偏移為0。第二個波形發生器也應配置為200 Hz三角波,峰峰值幅度為4 V,偏移為0 V,但相位為180°。電阻分壓器將Q1和Q2的基極處的信號幅度降低到略小于200 mV。示波器的通道1應與1+連接到第一個波形發生器W1的輸出,與1-連接到W2的輸出。通道2應連接到顯示2+和2-,并設置為每格1 V。

圖6.帶尾電流源的差分對面包板電路
程序步驟
配置示波器以捕獲所測量的兩個信號的多個周期。xy圖示例如圖7所示。

圖7.帶尾電流源的差分對xy圖
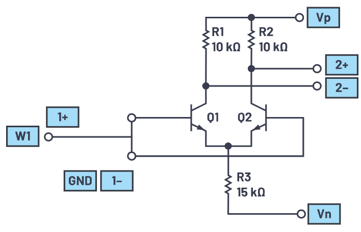
測量共模增益

圖8.共模增益配置
共模抑制是差分放大器的一個關鍵方面。CMR可以通過將兩個晶體管Q1和Q2的基極連接到同一輸入源來測量。圖10中的曲線顯示了當W1的共模電壓從+2.9 V掃描至-4.5 V時,電阻偏置差分對和電流源偏置差分對的差分輸出。輸入上的最大正擺幅以晶體管的基極電壓超過集電極電壓和晶體管飽和電壓的點為限。這可以通過觀察晶體管的集電極電壓相對于地為單端(即將2-示波器輸入接地)來檢查。
硬件設置
波形發生器配置為100 Hz正弦波,峰峰值幅度為8 V,偏移為0。示波器的通道1應與1+連接到第一個波形發生器W1的輸出,與1-連接到地。通道2應連接到顯示2+和2-,并設置為每格1 V。

圖9.共模增益面包板電路
程序步驟
配置示波器以捕獲所測量的兩個信號的多個周期。產生的波形如圖10所示。

圖10.共模增益波形
問題:
對于圖8中的電路,如果將晶體管Q1的基極視為輸入,該晶體管放大器對于輸出2+和2-而言是反相還是同相?
對于同一電路,說明當輸入電壓(W1)增加時,每個輸出電壓(2+和2-)會發生什么。另外請說明,當輸入電壓減小時會發生什么。
您可以在學子專區博客上找到問題答案。
免責聲明:本文為轉載文章,轉載此文目的在于傳遞更多信息,版權歸原作者所有。本文所用視頻、圖片、文字如涉及作品版權問題,請聯系小編進行處理。
推薦閱讀:





