【導讀】隨著社會進步,城市化發展越來越快速,人類對消防安全的重視程度越來越高。而煙感報警設備作為消防安全體系中重要的一部分,被越來越多的人接受和使用。現有的煙感方案如電離傳感器,光電傳感器構成的產品,可以很好的測量煙霧。一般電離傳感器方案,會比較快的對傳統煙霧進行報警,這取決于煙腔迷宮的設計。而光電傳感器,可以更早的對陰燃物體產生的煙霧進行報警,從而提前預防火災的發生。但這兩種方式,對燒焦的漢堡或水蒸氣干擾情況的辨識度較差,容易發生誤報,需要很有經驗的軟件人員將其與真實的煙霧區分出來。
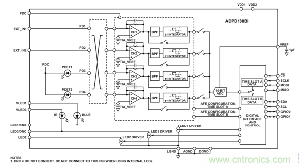
技術型授權分銷商Excelpoint世健公司向我們推薦了ADI公司一款可以解決此問題的新產品——ADPD188BI。該產品主要針對與北美市場UL217 Rev8 的標準需求而設計。經過系統測試,ADPD188BI方案完全可以符合 UL217 的標準需求。該產品采用雙光電管的設計,芯片集成紅外光加上藍光的 LED,通過不同波長的發射光,可以通過比率的方式,來間接判斷被測物質的尺寸,以達到區分真實煙霧和干擾源的目的。

對此,ADI代理商——Excelpoint世健公司的工程師Abel Bian在實驗室進行了一系列測試。下圖展示了一些測試結果,工程師采用歐標的測試煙箱,對氣溶膠煙霧進行檢測。
圖一、圖三和圖五是 ADPD188BI 評估板顯示的采樣值和藍光與紅外光的 PTR(接收光與發射光功率的比值) 比值。圖中SlotA 表示藍光的 PTR值,SlotB 表示紅外光的 PTR 值, 這樣做的目的是可以最大程度的減小噪聲干擾對結果的影響。

圖一與圖二顯示遮蔽率為 0 時,ADPD188BI 的初始值。可以看到其藍光和紅外光平均 PTR 值約為 11.53。比值約為 0.970。

圖三與圖四顯示遮蔽率為 0.2 時,ADPD188BI 的初始值。可以看到其藍光和紅外光平均 PTR 值約為 11.73。比值約為 0.983。

圖五與圖六顯示遮蔽率為 0.4 時,ADPD188BI 的初始值。可以看到其藍光和紅外光平均 PTR 值約為 12.13。比值約為 1.005。
“我們可以通過平滑濾波來對所看到的 PTR 值進行處理,來進行煙霧報警判斷,這與之前的方式如出一轍。”Abel表示,“第二,我們也可以通過 PTR 的比值上升的斜率,和對應標準中的遮光比(如12%/foot)這兩個參數,判斷所測量的物質是否屬于真實燃燒帶來的煙霧。”
之后,Abel又做了一個實驗,但由于實驗條件有限,他只是使用簡易的加濕器來模擬水霧的情況。通過這個實驗可以看到,此時 PTR 的比率是十分重要的參數,可以幫助判斷真實煙霧的發生。

【PTRA/PTRB 顯示了所有采樣輸出 PTR 比率的變化趨勢,這表明了在不同遮光比下,PTR 比率也是會發生微小的變化(PRTA表示藍光、PTRB表示紅外光)】

【紅外光和藍光的 PTR 輸出值,表明了煙霧濃度的變化程度,可以看到 PRTA 對煙霧濃度的變化相對 PRTB 的更加敏感。】
以上是Abel針對氣溶膠測試的實驗結果。可以看出,在精度上,可以實現非常精細的采集,而且多出來的 PTR 比率信息,可以讓軟件人員得到更多的判斷依據。在更低遮光比下,提前判斷出真實的火焰發生。
最后,為了展現該產品對于不同煙源所展現的輸出變化,他又測試了高溫水汽和人吸煙的煙霧輸入。具體結果如下透視圖:

上圖前半部分的突起,是用電水壺燒開后所產生的高溫蒸汽輸出。剔除掉結露的結果后的圖形,可以看到,在遇到高溫水汽的時候,兩種光的 PTR 的值會瞬間上升,超過 35nW/mW。
經過一段時間的吹風冷卻和水汽清理,后半段可以看到抽煙所產生的輸出變化,當然這個距離傳感器較近,輸出的值是煙霧遮蔽率較高的結果,最大可以到 25nW/mW 左右。

【PTRA/PTRB 的結果,高溫水汽與人體呼出的煙霧】
上圖可以很好地展現PTR 比率對判斷物質的重要性。前半段可以看出,高溫水汽的PTR 比率瞬間上升,比值也接近 1.8 左右。后半段的 PTR 比值上升相對緩慢,而且比值在 1.55 左右。
實驗結論
比率信息不可以單獨作為區分真實煙霧和干擾煙霧,軟件人員可通過 PTR 值的上升速度和最終比值,做相對穩定的實驗統計,并以此來作為判斷煙霧類型的依據,從而最大程度的減小誤報率。
此產品設計的應用意義
針對以上測試結果,大家可以很容易地將該產品置于環境較為復雜的區域來預防和監控火災的發生,比如:
-浴室,可以降低水霧對產品的誤報干擾。
-廚房,可以降低廚房油煙對產品的誤報干擾。
-倉庫,可以降低粉塵對產品的誤報干擾。
通過傳感器雙管的拓撲架構,實現增加對環境狀態的判斷的依據,降低算法上的難度,實現更加可靠的報警。
推薦閱讀:



