【導讀】對于在油氣田中氣體流量傳感器的應用,工釆網提供了FS5001B系列氣體流量傳感器是專門為各類小流量氣體的測量和過程控制而設計的。這一系列傳感器均采用本公司自主研發的微機電系統(MEMS)流量傳感器芯片來制作,適用于各類清潔、干燥氣體。
油氣田是指受單一局部構造單位所控制的同一面積內的油藏、氣藏、油氣藏的總和。如果在這個局部構造范圍內只有油藏,稱為油田;只有氣藏,稱為氣田。但是油氣聚集的場所一般不是油氣生成的地方,油氣藏是油氣經過運移、聚集才形成的。油氣田是油氣現在聚集的場所。石油和天然氣之所以能夠聚集起來,是由于這里受局部構造單位控制,形成了各種圈閉。

這類局部構造單位可以是穹隆、背斜、單斜、刺穿構造等等,在它們所控制的范圍內往往伴生多種圈閉,從而形成多種油氣藏。這些受同一局部構造單位控制的面積內油藏、氣藏的總稱,就是一個油氣田。
如果說油藏是勘探是尋找原料,油田開發和采油是提供原料那么集氣站的功能是收集氣井的天然氣,對收集的天然氣進行氣液分離處理后,處理后分別對氣液進行計量;分離出的天然氣需進行壓力控制,使之滿足集氣管線的輸送壓力要求。為此集氣站的工藝流程通常為集氣、分離、計量、清管等。
為了提高油田計量的準確性,氣田集氣站都采用氣體流量傳感器來計算油田計量,氣體流量傳感器主要由殼體、前導向架、葉輪、后導向架、壓緊圈和帶放大器的磁電感應轉換器等組成,吸取國內外先進技術進行設計,綜合氣體動力學、流體力學、電磁學等理論而自行研制開發的新一代高精度、高可靠性的緊密氣體流量傳感器,具有出色的低壓和高壓計量性能,多種信號輸出方式以及對流體擾動的低敏感性,廣泛適用于天然氣、煤制氣、液化氣、輕烴氣等氣體的計量。
氣體流量傳感器工作原理當被測流體流經傳感器時,傳感器內的葉輪借助于流體的動能而產生旋轉,葉輪即周期性地改變磁電感應系統中的磁電阻,使通過線圈的磁通量周期性地發生變化而產生電脈沖信號,經放大器放大后傳送至相應的流量積算儀表,進行流量或總量的測量。

因而對于在油氣田中氣體流量傳感器的應用工釆網提供了FS5001B系列氣體流量傳感器是專門為各類小流量氣體的測量和過程控制而設計的。這一系列傳感器均采用本公司自主研發的微機電系統(MEMS)流量傳感器芯片來制作,適用于各類清潔、干燥氣體。傳感器采用標貼式安裝,使安裝尺寸更加緊湊,可以很容易的實現在小空間內的多傳感器集成。
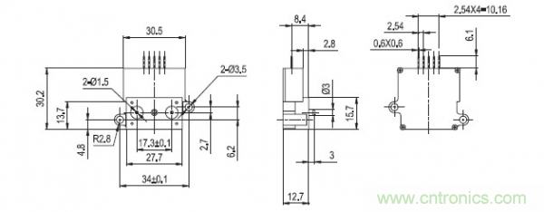
FS5001B系列氣體流量傳感器機械尺寸

FS5001B系列氣體流量傳感器技術參數

FS5001B系列氣體流量傳感器產品選型

推薦閱讀:





