【導讀】現代數據采集和信號發生系統既復雜又精細。幾十年的 IC 和應用開發以及一代又一代設計已經優化了性能和眾多優點,同時使性能不斷提高、優點不斷增多。新的設計必須憑借精心挑選的性能、尺寸、電源范圍、穩定性以及更多優點,實現與之前設計的差異化。
同時,DAC、ADC、電壓基準等高性能集成電路的性能已經被推進到了極限。關于電壓基準,常常必須在精確度和眾多優點之間做出設計選擇。當需要最高性能時,就有可能缺乏靈活性和兼容性。
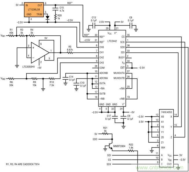
過去,精確度最高和最穩定的系統一直是用深埋齊納基準設計的,如圖 1 所示。齊納基準的低漂移、高穩定性和低噪聲使系統能夠既提供很大的動態范圍,又具備良好的穩定性。然而,齊納基準一般不適合大多數新系統。齊納基準需要很高的電源電壓才能運行,而且很多采用齊納基準的設計都僅針對特定系統而優化,例如電源電壓高于 10V、可用電路板面積很大以及負載阻抗已經完全了解的系統。對很多新設計而言,這些假定很少適用。此外,采用齊納架構的基準一直以來幾乎沒有什么新發展,因此,齊納基準極少提供更常用且低于 5V (例如 4.096V、2.5V 和 1.25V) 的基準電壓。

圖 1:用 LT1236 實現大動態范圍系統
相比之下,要獲得結合的優點和性能,帶隙電壓基準一直是最佳選擇。與齊納架構相比,帶隙架構盡管犧牲了一些穩定性,卻有可能用來設計出具備很多優點的基準,包括低壓差、寬溫度范圍、低功率、小尺寸、寬工作范圍和寬負載電流范圍等優點。由于這些優點,已經產生了大量高性能 LDO 穩壓器和精確的電壓基準。相對低的、約為 1.2V 的帶隙電壓為設計提供各種電壓的產品帶來了方便,包括 1.25V、2.048V、2.5V、3V、3.3V、4.096V、5V 和 10V。另外,這樣的帶隙電壓還允許用僅比輸出電壓高幾毫伏的電源運行,如圖 2 所示。

圖 2:低功率、低壓差電壓基準電路
就電壓基準而言,最大的誤差通常是由溫度系數 (TC) 引起的。對很多精確的系統而言,具 20ppm/ºC 溫度系數的電壓基準就是合適的。然而,在工業溫度范圍內 (-40ºC 至 85ºC),這樣的溫度系數會導致 2500ppm 或 0.25% 的最大誤差。相比之下,由初始準確度 (0.1%)、熱遲滯 (通常約為 100ppm) 和長期漂移 (50ppm/√(kHr) 引起的誤差很小。盡管這樣的溫度系數對很多工業和醫療系統而言足夠了,但是諸如測試和測量等精確應用以及寬溫度范圍汽車應用卻需要更高的穩定性。
隨著時間推移,帶隙基準的性能也得到了提高,在有些情況下,其穩定性和噪聲性能超過了掩埋齊納基準。新的架構、工藝和制造方法進一步推進了精確度和穩定性的極限。以前,“精確的” 帶隙基準溫度系數也許為 20-50ppm/ºC,而較新的產品則提供低于 5ppm/ºC 的溫度穩定性。同時,眾多優點得以保留或得到了改進。
例如 LT6657,這是一款高精確度帶隙電壓基準。LT6657 帶來了一種新的選擇,在提供最高精確度的同時,還為滿足多種系統需求及限制保留了極大的靈活性。
LT6657 的溫度系數為 1.5ppm/°C,是溫度系數最低的帶隙電壓基準。高階溫度補償可隨溫度變化保持很低和可預測的輸出電壓誤差 (圖 3),同時最新制造方法確保器件之間、批次之間具有一致的性能。為確保每個器件都滿足該高性能水平,LT6657 的溫度系數由 100% 的五溫度測試提供保證。在 -40°C 至 125°C 溫度范圍內,LT6657 確保由溫度漂移引起的誤差低于 250ppm。

圖 3:LT6657 溫度漂移
應該提到的是,圖 3 中包括一個指示 1ppm/°C 誤差的區域。典型的 LT6657 器件完全位于這個區域之內,因此在針對 1.5ppm/ºC 這一限制進行自動化生產測試時,能夠達到合理的產量。
除了總體穩定性這個優點以外,還有低溫度遲滯和出色的長期漂移穩定性這兩個優點。這些衡量標準可以用來預測,隨著時間和溫度周期變化,系統將怎樣良好地保持在性能規格限制之內。就位于偏僻之處或難以校準的系統而言,較低的熱遲滯和長期漂移意味著較少的校準工作,從而節省了時間和費用。盡管電氣表格中的典型值提供了有用的指導,但是這些值代表的是平均值、偏差還是單個器件,卻不清楚。凌力爾特公司提供了大量數據,以在利用電壓基準進行設計時提供有意義的指導。LT6657 數據表中提供了長期漂移和遲滯分布數據,這些數據顯示,LT6657 的長期漂移和遲滯都很低,而且很一致。
電壓基準性能的另一個方面是噪聲。很多系統對溫度或老化等長期漂移是不敏感的,但是要求噪聲非常低,以提供高分辨率測量。LT6657 的噪聲性能可與一些最好的低噪聲掩埋齊納基準相媲美。噪聲僅為 0.5ppm,適合很多大動態范圍系統。在 0.1Hz 至 10Hz 范圍內,就一個 2.5V 基準電壓而言,LT6657 僅產生 1.25µV 峰值至峰值噪聲。寬帶噪聲也很低,為 0.8ppm (2µV) RMS,直至 1kHz。該器件的低噪聲使其非常適合要求大動態范圍和非常低噪聲的系統。一個 5V 滿標度輸入的 20 位轉換器具僅為 4.8µV (~1ppm) 的 LSB,這說明了這種低噪聲的重要性。
除了低溫度漂移、高穩定性和低噪聲,LT6657 還有進一步的優點。LT6657 僅需要 50mV 電壓空間就可運行。無 DC 負載時,可用不到 2.6V 的電源給一個 2.5V 基準供電,或者在有很重的 DC 負載電流時,可用不到 3V 的電源供電。在電壓調節誤差低于 1ppm/V 和紋波抑制非常出色的情況下,電源范圍可擴展到 40V,從而能夠靈活地用幾乎任何可用電源給基準供電,這與齊納基準相比是一個突出的不同之處。
就像大多數凌力爾特最近推出的電壓基準產品一樣,LT6657 隨頻率變化呈現了很低的輸出阻抗。這減輕了負載隨頻率變化的影響,有助于防止負載端的信號反饋給基準并引起干擾、誤差或噪聲。當驅動高性能模數轉換器 (ADC) 或需要成功通過諸如汽車系統中的大電流注入等運行測試時,這個優點對基準穩定至關重要。此外,LT6657 專為驅動大輸出電容而設計。鑒于許多高性能 ADC 在采樣期間從電壓基準吸收大的電荷注入電流,因此把快速穩定和通過設計以在驅動一個大的電荷儲存電容器時保持穩定之能力組合起來,使該電壓基準在最大限度發揮高動態范圍轉換器之最佳性能方面擁有了一項優勢。
LT6657 還具備充足的驅動能力,可提供和吸收高達 10mA 負載電流,且負載調節誤差低于每毫安 1ppm。這種負載驅動能力使 LT6657 能夠偏置各種傳感器、驅動難以驅動的 ADC 基準輸入、驅動多個 ADC 和 DAC,或者以基準級精確度給小型子系統供電。這種很少被利用的能力可幫助系統設計師在一些小型數據采集系統中合并電源和基準功能,充分利用電路板面積和功耗。ADC 或 DAC 的電源和基準使用相同的電壓是比較理想的情況,另外 LT6657 的小型 MSOP 封裝也進一步節省了空間。此外,LT6657 包括電流和過熱保護,以避免在故障情況下由于過載而損壞。
最后,LT6657 可作為并聯基準運行。并聯模式運行的一個好處是,能夠實現負壓基準。并聯模式運行還允許 LT6657 用非常高的電源電壓工作,或者以最低壓差電壓運行。圖 4 顯示了 LT6657 的正并聯配置。

圖 4:LT6657 的并聯模式配置
圖 5 顯示,LT6657 用于低噪聲、精確的 20 位 ADC 應用。在這種情況下,LT6657 的低噪聲、低溫度漂移和高穩定性允許使用高精確度 ADC,例如性能更高的 LTC2378-20,但不會像較舊的掩埋齊納解決方案那樣增大了所需電路板面積和電源電壓空間。

圖 5:低噪聲、精確的 20 位模數轉換器應用
總之,LT6657 提供高精確度、低噪聲和高穩定性,該器件還具備很多優點,這些優點使得 LT6657 具備很高的靈活性。該器件的眾多優點使系統設計能夠提高功率和電路板面積利用率、與多種電源電壓和環境條件兼容并能夠實現最高的精確度、穩定性和最大的動態范圍。這個突破性電壓基準的眾多優點和高性能與高制造質量相結合,使該器件能夠適應很多應用電路。
推薦閱讀:





